lemon-mirror:
Home >> Scion >> 2012 >> iQ >> Repair and Diagnosis >> Electrical >> Body Electrical >> OEM System Circuits >> Power Window >> Notes

Power Window: Notes

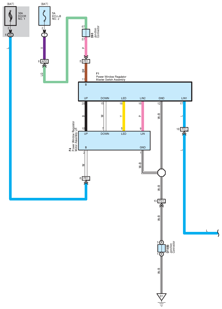
Fig 1: Power Window System Wiring Diagram (1 Of 3)
G08759842Courtesy of © TOYOTA, LICENSE AGREEMENT TMS1002
Fig 2: Power Window System Wiring Diagram (2 Of 3)
G08759843Courtesy of © TOYOTA, LICENSE AGREEMENT TMS1002
Fig 3: Power Window System Wiring Diagram (3 Of 3)
G08759844Courtesy of © TOYOTA, LICENSE AGREEMENT TMS1002