lemon-mirror:
Home >> Scion >> 2012 >> iQ >> Repair and Diagnosis >> Electrical >> Body Electrical >> OEM System Circuits >> Shift Lock >> Notes

Shift Lock: Notes

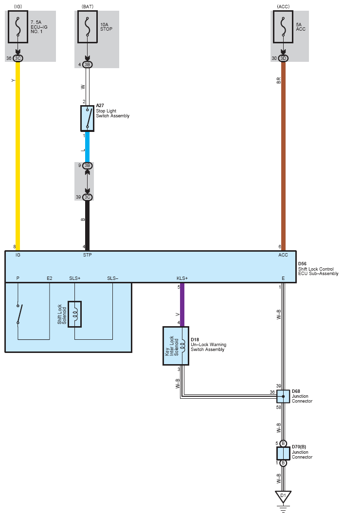
Fig 1: Shift Lock System Wiring Diagram
G08759861Courtesy of © TOYOTA, LICENSE AGREEMENT TMS1002