lemon-mirror:
Home >> Scion >> 2012 >> tC Automatic Trans >> Repair and Diagnosis >> Electrical >> Body Electrical >> OEM Ground Points >> Ground Point >> Notes

Ground Point: Notes

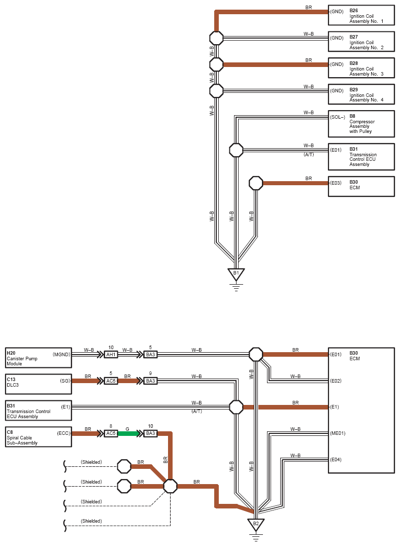
Fig 1: Ground Point System Wiring Diagram (1 Of 6)
G08760326Courtesy of © TOYOTA, LICENSE AGREEMENT TMS1002
Fig 2: Ground Point System Wiring Diagram (2 Of 6)
G08760327Courtesy of © TOYOTA, LICENSE AGREEMENT TMS1002
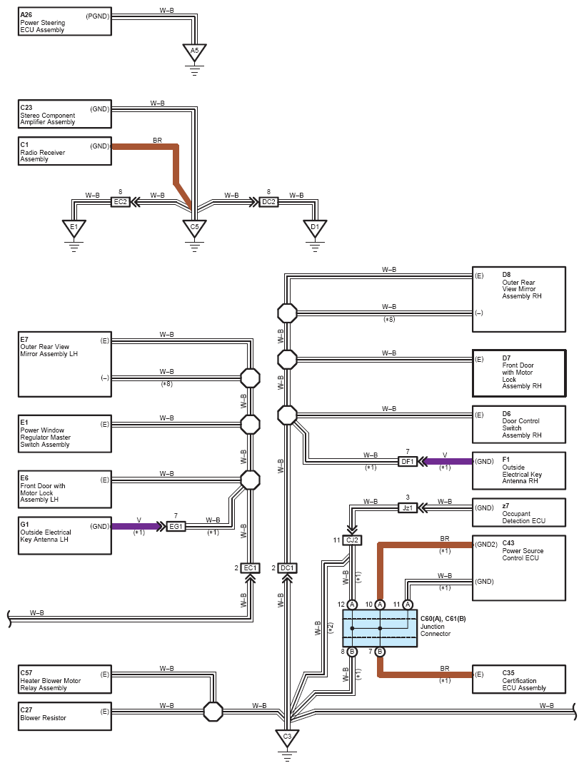
Fig 3: Ground Point System Wiring Diagram (3 Of 6)
G08760328Courtesy of © TOYOTA, LICENSE AGREEMENT TMS1002
Fig 4: Ground Point System Wiring Diagram (4 Of 6)
G08760329Courtesy of © TOYOTA, LICENSE AGREEMENT TMS1002
Fig 5: Ground Point System Wiring Diagram (5 Of 6)
G08760330Courtesy of © TOYOTA, LICENSE AGREEMENT TMS1002
Fig 6: Ground Point System Wiring Diagram (6 Of 6)
G08760331Courtesy of © TOYOTA, LICENSE AGREEMENT TMS1002