lemon-mirror:
Home >> Scion >> 2012 >> tC Automatic Trans >> Repair and Diagnosis >> Electrical >> Body Electrical >> OEM System Circuits >> ABS, TRAC and VSC >> Notes

ABS, TRAC and VSC: Notes

Fig 1: ABS, TRAC And VSC System Wiring Diagram (1 Of 5)
G08760279Courtesy of © TOYOTA, LICENSE AGREEMENT TMS1002
Fig 2: ABS, TRAC And VSC System Wiring Diagram (2 Of 5)
G08760280Courtesy of © TOYOTA, LICENSE AGREEMENT TMS1002
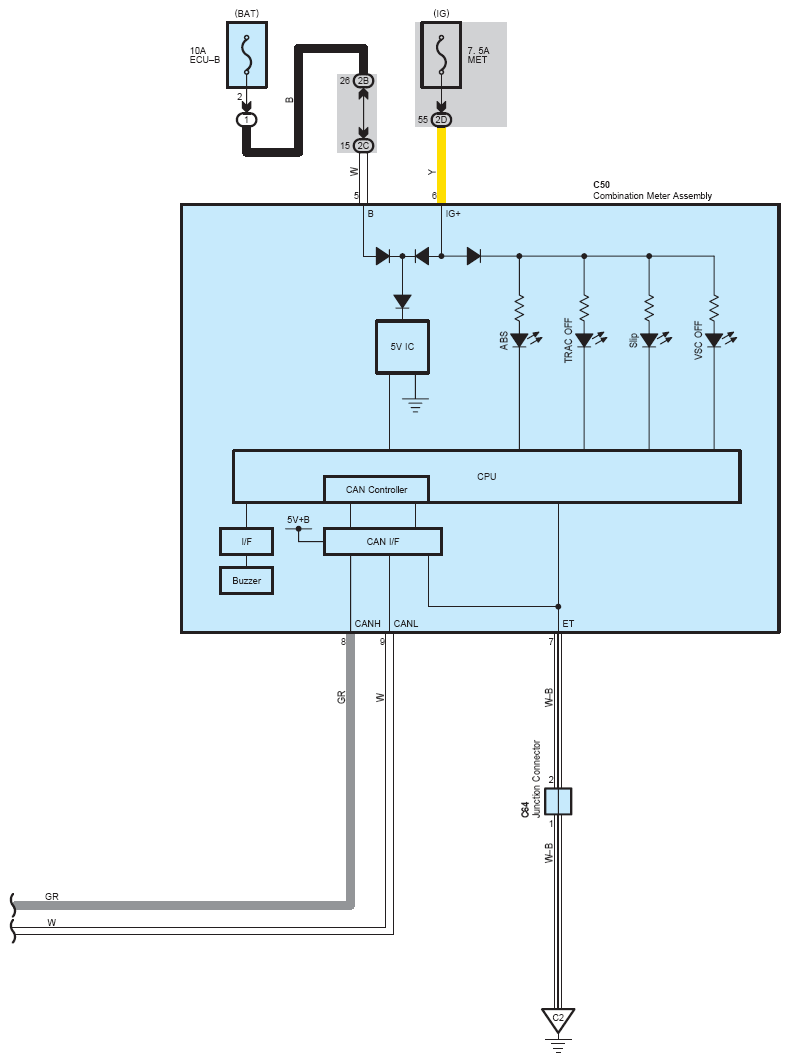
Fig 3: ABS, TRAC And VSC System Wiring Diagram (3 Of 5)
G08760281Courtesy of © TOYOTA, LICENSE AGREEMENT TMS1002
Fig 4: ABS, TRAC And VSC System Wiring Diagram (4 Of 5)
G08760282Courtesy of © TOYOTA, LICENSE AGREEMENT TMS1002
Fig 5: ABS, TRAC And VSC System Wiring Diagram (5 Of 5)
G08760283Courtesy of © TOYOTA, LICENSE AGREEMENT TMS1002