lemon-mirror:
Home >> Scion >> 2012 >> tC Automatic Trans >> Repair and Diagnosis >> Electrical >> Body Electrical >> OEM System Circuits >> SRS >> Notes

OEM System Circuits: SRS: Notes

NOTE: When inspecting or repairing the SRS, perform service in accordance with the following precautionary instructions and the procedure, and precautions in the Repair Information applicable for the model year.
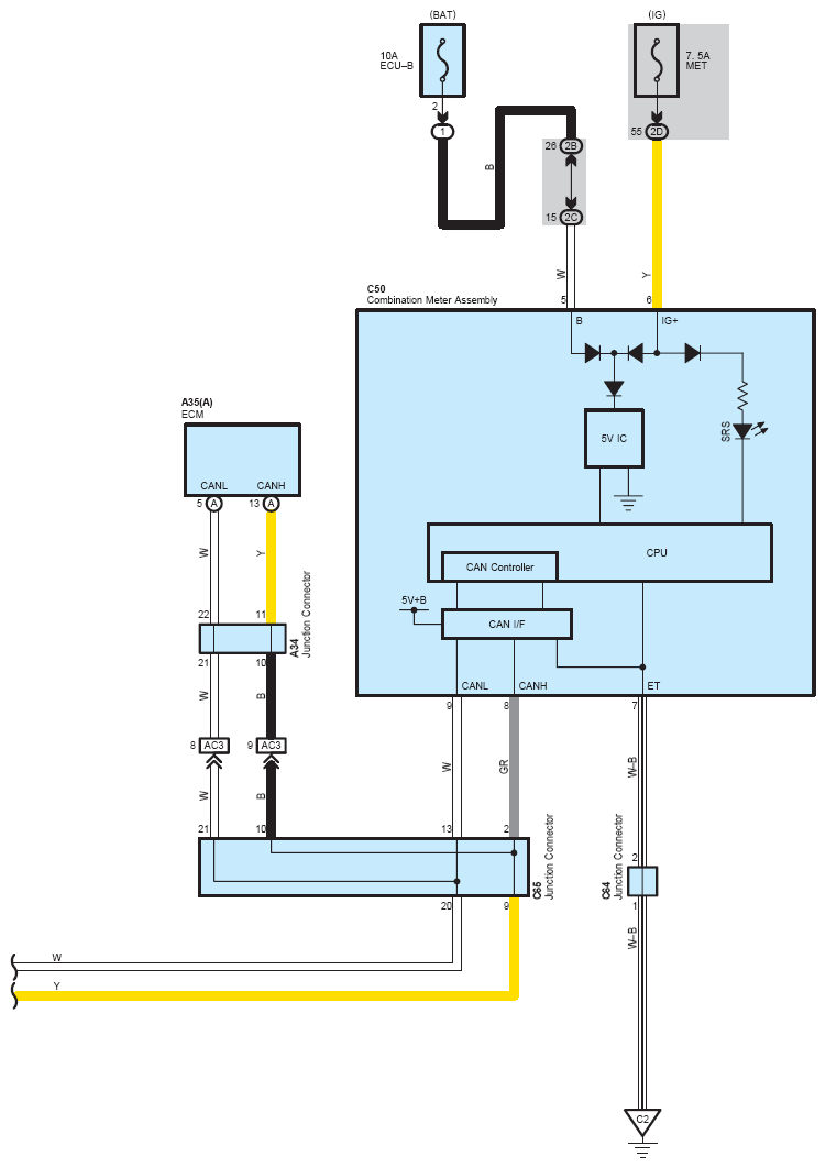
Fig 2: SRS System Wiring Diagram (1 Of 5)
G08760285Courtesy of © TOYOTA, LICENSE AGREEMENT TMS1002
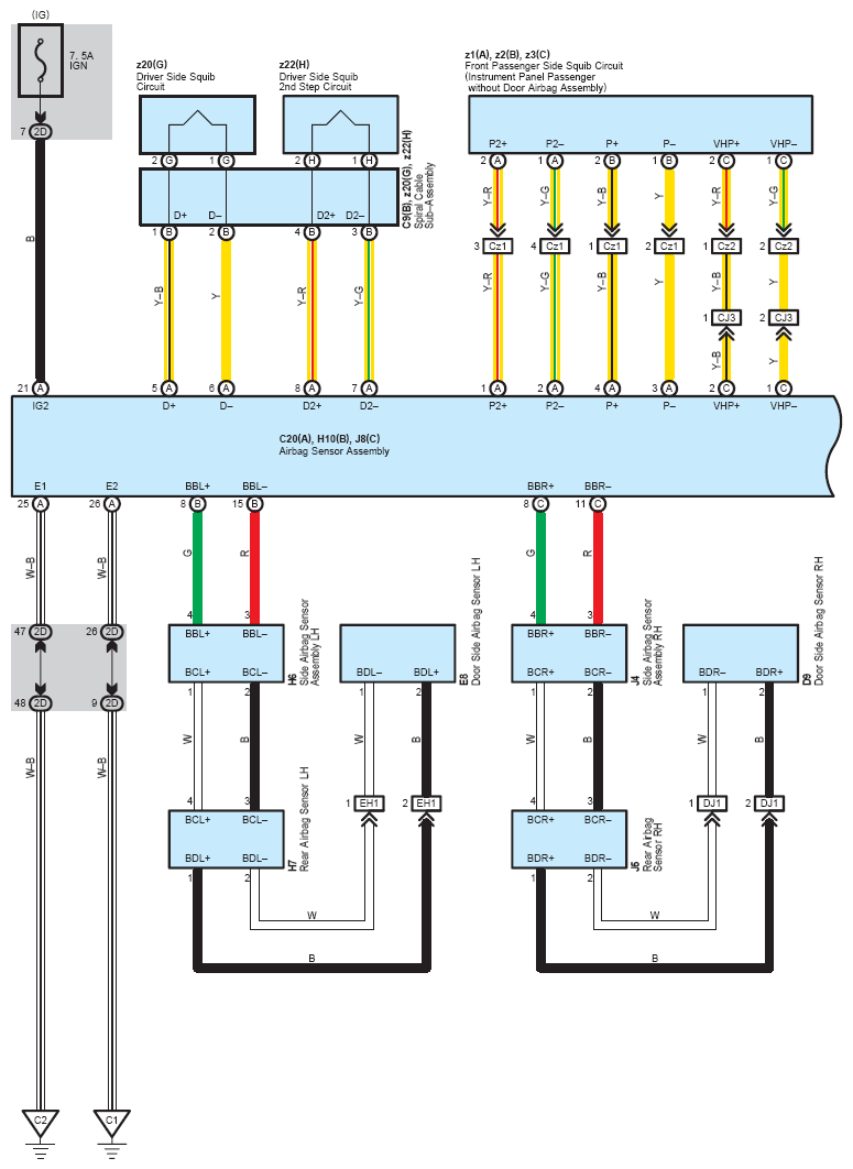
Fig 3: SRS System Wiring Diagram (2 Of 5)
G08760286Courtesy of © TOYOTA, LICENSE AGREEMENT TMS1002
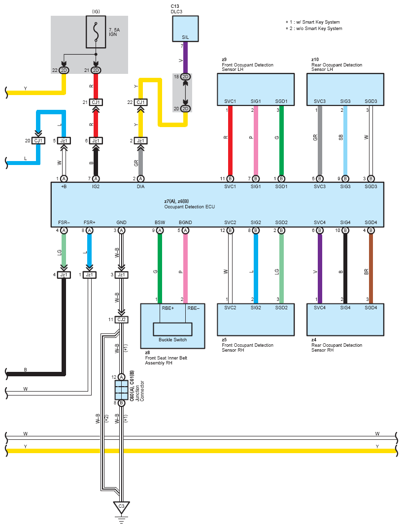
Fig 4: SRS System Wiring Diagram (3 Of 5)
G08760287Courtesy of © TOYOTA, LICENSE AGREEMENT TMS1002
Fig 5: SRS System Wiring Diagram (4 Of 5)
G08760288Courtesy of © TOYOTA, LICENSE AGREEMENT TMS1002
Fig 6: SRS System Wiring Diagram (5 Of 5)
G08760289Courtesy of © TOYOTA, LICENSE AGREEMENT TMS1002