lemon-mirror:
Home >> Scion >> 2012 >> tC Automatic Trans >> Repair and Diagnosis >> Electrical >> Body Electrical >> OEM System Circuits >> Stop Light >> Notes

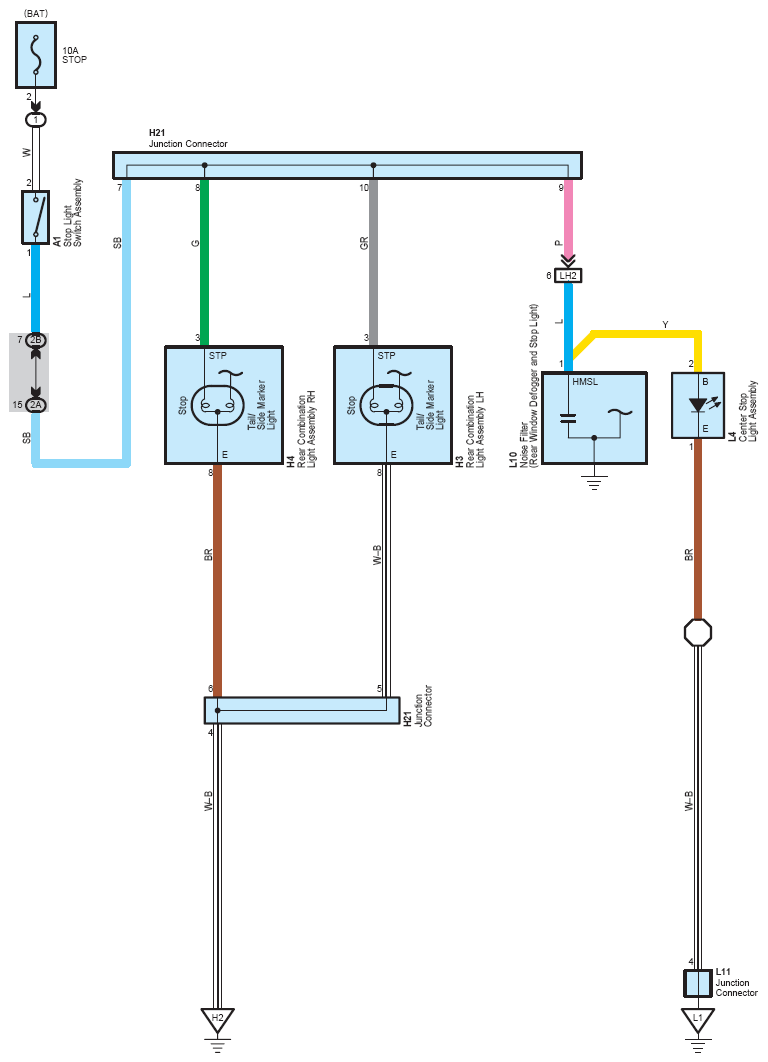
Stop Light: Notes

Fig 1: Stop Light System Wiring Diagram
G08760242Courtesy of © TOYOTA, LICENSE AGREEMENT TMS1002