lemon-mirror:
Home >> Scion >> 2012 >> tC Automatic Trans >> Repair and Diagnosis >> Electrical >> Body Electrical >> OEM System Circuits >> Tire Pressure Warning System >> Notes

Tire Pressure Warning System: Notes

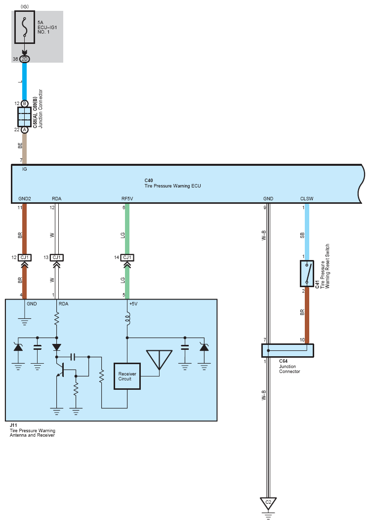
Fig 1: Tire Pressure Warning System Wiring Diagram (1 Of 3)
G08760294Courtesy of © TOYOTA, LICENSE AGREEMENT TMS1002
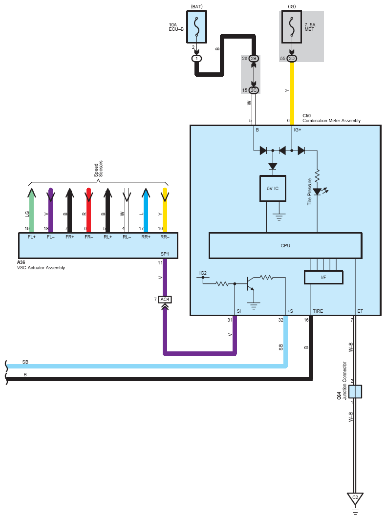
Fig 2: Tire Pressure Warning System Wiring Diagram (2 Of 3)
G08760295Courtesy of © TOYOTA, LICENSE AGREEMENT TMS1002
Fig 3: Tire Pressure Warning System Wiring Diagram (3 Of 3)
G08760296Courtesy of © TOYOTA, LICENSE AGREEMENT TMS1002