lemon-mirror:
Home >> Scion >> 2012 >> tC Standard Trans >> Repair and Diagnosis >> Electrical >> Body Electrical >> OEM System Circuits >> Charging >> Notes

OEM System Circuits: Charging: Notes

Fig 1: Charging System Wiring Diagram (1 Of 2)
G08760213Courtesy of © TOYOTA, LICENSE AGREEMENT TMS1002
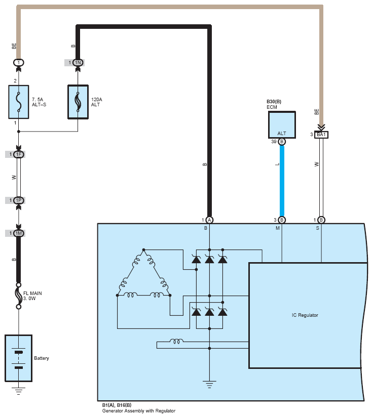
Fig 2: Charging System Wiring Diagram (2 Of 2)
G08760214Courtesy of © TOYOTA, LICENSE AGREEMENT TMS1002