lemon-mirror:
Home >> Scion >> 2012 >> tC Standard Trans >> Repair and Diagnosis >> Electrical >> Body Electrical >> OEM System Circuits >> Remote Control Mirror >> Notes

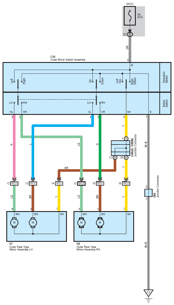
Remote Control Mirror: Notes

Fig 1: Remote Control Mirror System Wiring Diagram
G08760305Courtesy of © TOYOTA, LICENSE AGREEMENT TMS1002