lemon-mirror:
Home >> Scion >> 2012 >> xB Automatic Trans >> Repair and Diagnosis >> Electrical >> Body Electrical >> OEM System Circuits >> Electronically Controlled Transmission and A/T Indicator >> Notes

Electronically Controlled Transmission and A/T Indicator: Notes

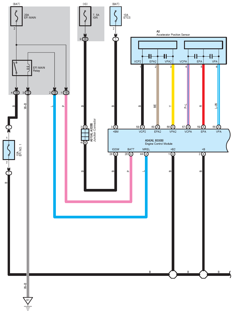
Fig 1: Electronically Controlled Transmission And A/T Indicator Wiring Diagram (1 Of 6)
G08760719Courtesy of © TOYOTA, LICENSE AGREEMENT TMS1002
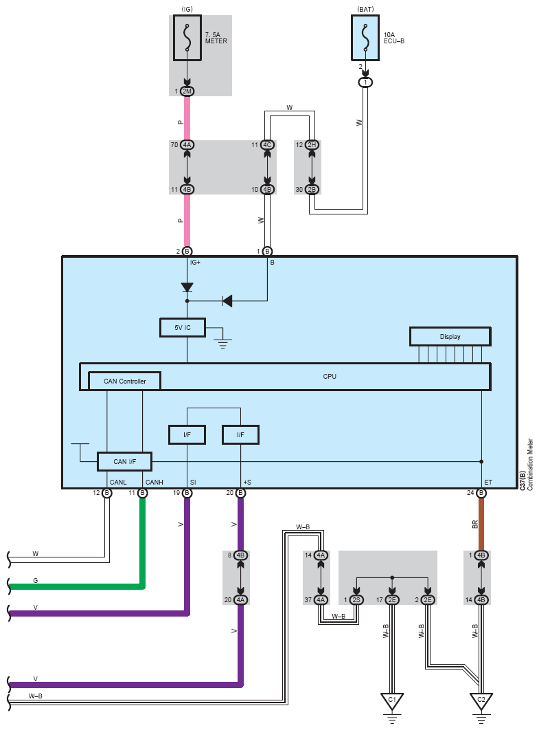
Fig 2: Electronically Controlled Transmission And A/T Indicator Wiring Diagram (2 Of 6)
G08760720Courtesy of © TOYOTA, LICENSE AGREEMENT TMS1002
Fig 3: Electronically Controlled Transmission And A/T Indicator Wiring Diagram (3 Of 6)
G08760721Courtesy of © TOYOTA, LICENSE AGREEMENT TMS1002
Fig 4: Electronically Controlled Transmission And A/T Indicator Wiring Diagram (4 Of 6)
G08760722Courtesy of © TOYOTA, LICENSE AGREEMENT TMS1002
Fig 5: Electronically Controlled Transmission And A/T Indicator Wiring Diagram (5 Of 6)
G08760723Courtesy of © TOYOTA, LICENSE AGREEMENT TMS1002
Fig 6: Electronically Controlled Transmission And A/T Indicator Wiring Diagram (6 Of 6)
G08760724Courtesy of © TOYOTA, LICENSE AGREEMENT TMS1002