lemon-mirror:
Home >> Scion >> 2012 >> xB Automatic Trans >> Repair and Diagnosis >> Electrical >> Body Electrical >> OEM System Circuits >> Engine Control >> Notes

Engine Control: Notes

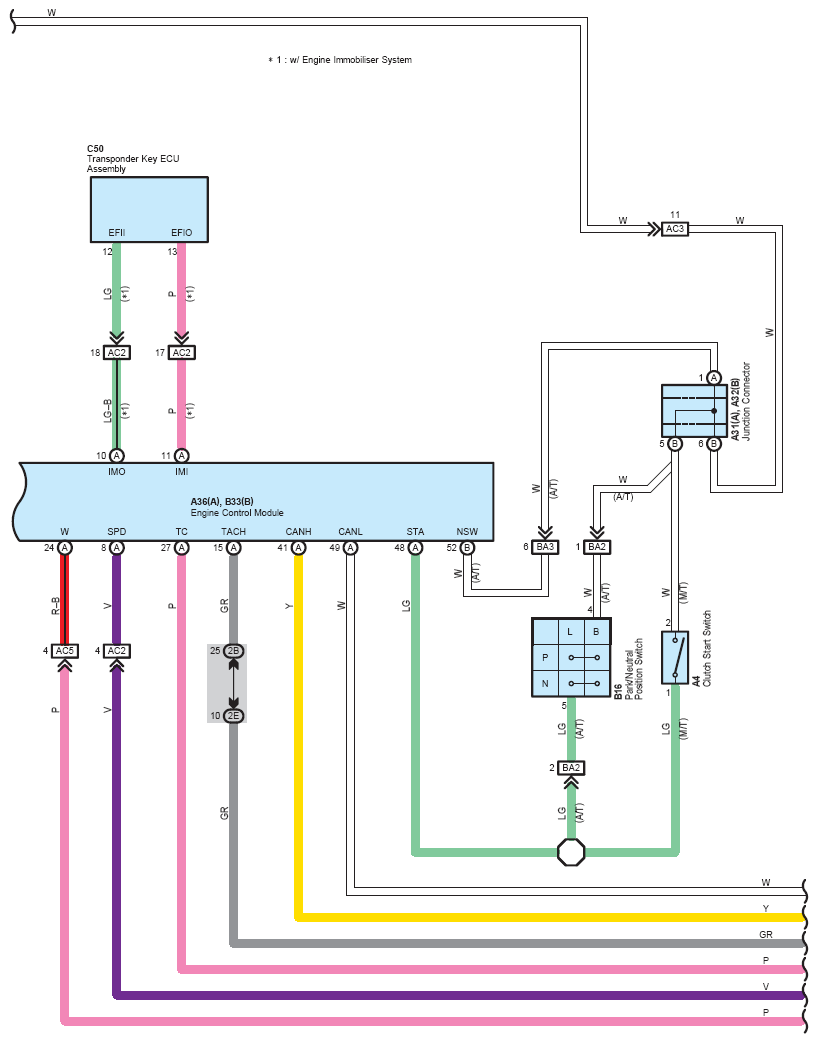
Fig 1: Engine Control System Wiring Diagram (1 Of 9)
G08760710Courtesy of © TOYOTA, LICENSE AGREEMENT TMS1002
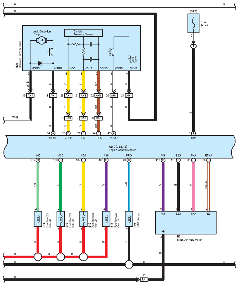
Fig 2: Engine Control System Wiring Diagram (2 Of 9)
G08760711Courtesy of © TOYOTA, LICENSE AGREEMENT TMS1002
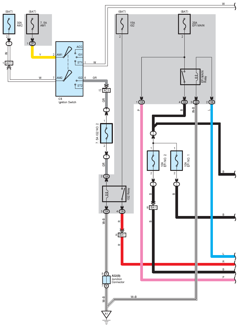
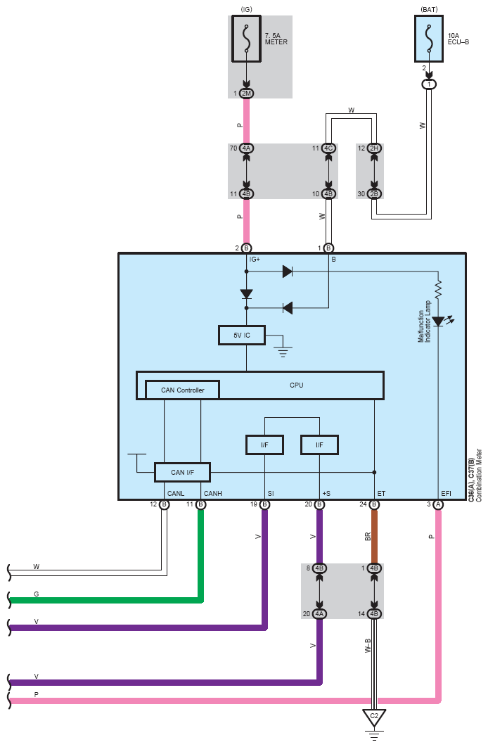
Fig 3: Engine Control System Wiring Diagram (3 Of 9)
G08760712Courtesy of © TOYOTA, LICENSE AGREEMENT TMS1002
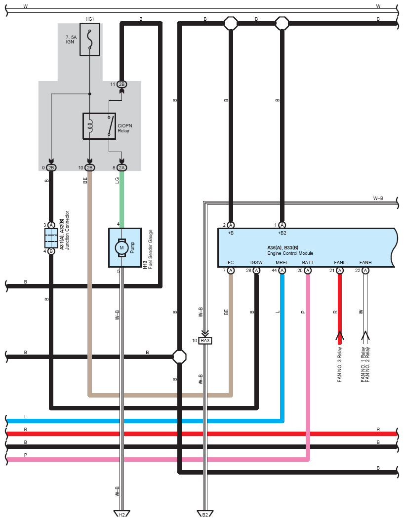
Fig 4: Engine Control System Wiring Diagram (4 Of 9)
G08760713Courtesy of © TOYOTA, LICENSE AGREEMENT TMS1002
Fig 5: Engine Control System Wiring Diagram (5 Of 9)
G08760714Courtesy of © TOYOTA, LICENSE AGREEMENT TMS1002
Fig 6: Engine Control System Wiring Diagram (6 Of 9)
G08760715Courtesy of © TOYOTA, LICENSE AGREEMENT TMS1002
Fig 7: Engine Control System Wiring Diagram (7 Of 9)
G08760716Courtesy of © TOYOTA, LICENSE AGREEMENT TMS1002
Fig 8: Engine Control System Wiring Diagram (8 Of 9)
G08760717Courtesy of © TOYOTA, LICENSE AGREEMENT TMS1002
Fig 9: Engine Control System Wiring Diagram (9 Of 9)
G08760718Courtesy of © TOYOTA, LICENSE AGREEMENT TMS1002