lemon-mirror:
Home >> Scion >> 2012 >> xB Automatic Trans >> Repair and Diagnosis >> Electrical >> Body Electrical >> OEM System Circuits >> Headlight >> Notes

OEM System Circuits: Headlight: Notes

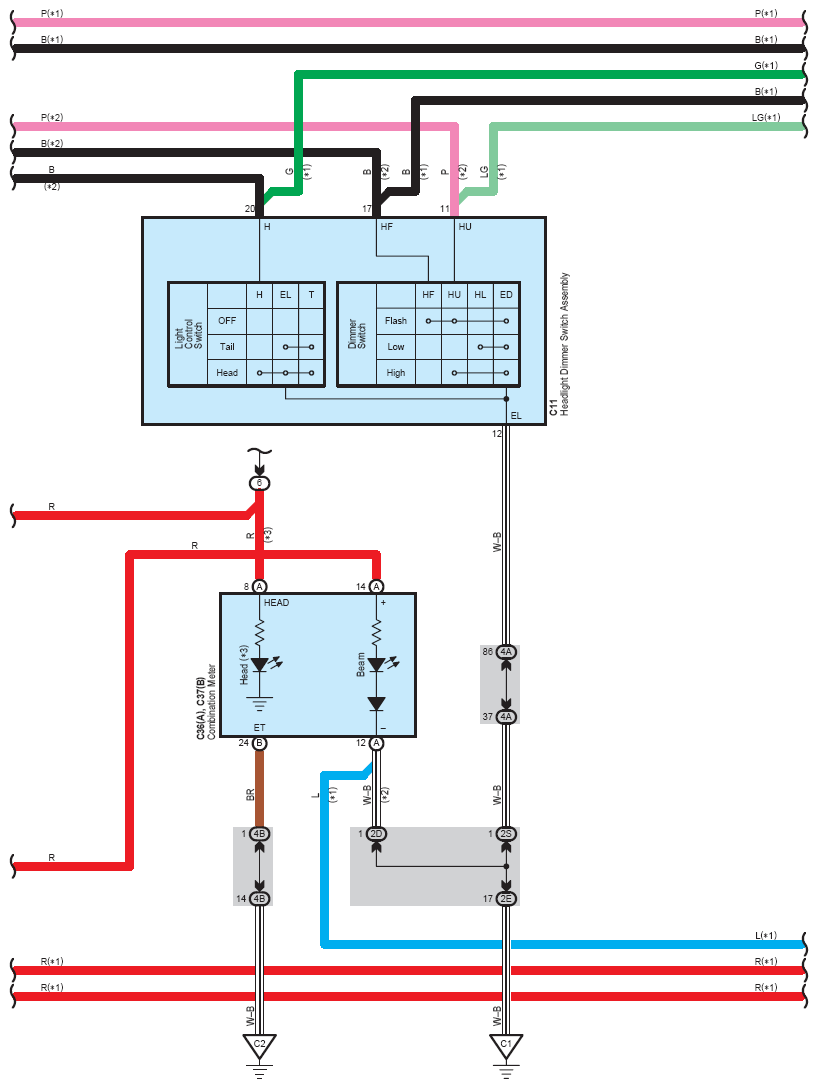
Fig 1: Headlight Wiring Diagram (1 Of 3)
G08760735Courtesy of © TOYOTA, LICENSE AGREEMENT TMS1002
Fig 2: Headlight Wiring Diagram (2 Of 3)
G08760736Courtesy of © TOYOTA, LICENSE AGREEMENT TMS1002
Fig 3: Headlight Wiring Diagram (3 Of 3)
G08760737Courtesy of © TOYOTA, LICENSE AGREEMENT TMS1002