lemon-mirror:
Home >> Scion >> 2012 >> xB Automatic Trans >> Repair and Diagnosis >> Electrical >> Body Electrical >> OEM System Circuits >> Power Source >> Notes

Power Source: Notes

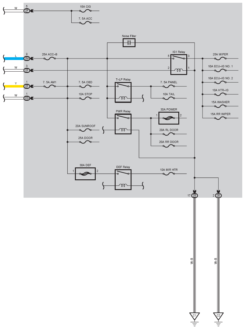
Fig 1: Power Source Wiring Diagram (1 Of 3)
G08760703Courtesy of © TOYOTA, LICENSE AGREEMENT TMS1002
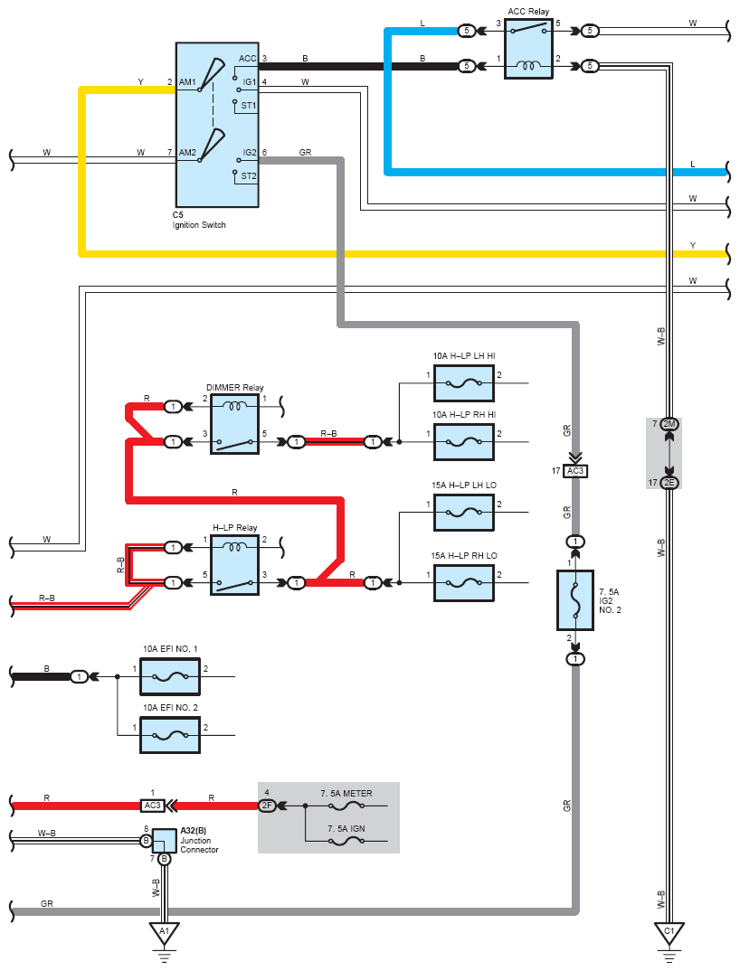
Fig 2: Power Source Wiring Diagram (2 Of 3)
G08760704Courtesy of © TOYOTA, LICENSE AGREEMENT TMS1002
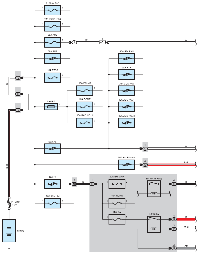
Fig 3: Power Source Wiring Diagram (3 Of 3)
G08760705Courtesy of © TOYOTA, LICENSE AGREEMENT TMS1002