lemon-mirror:
Home >> Scion >> 2012 >> xB Automatic Trans >> Repair and Diagnosis >> Electrical >> Body Electrical >> OEM System Circuits >> Tire Pressure Warning System >> Notes

Tire Pressure Warning System: Notes

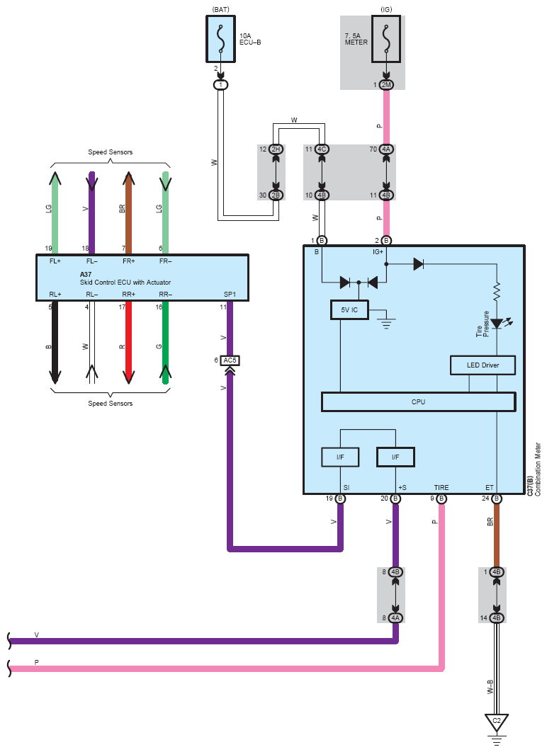
Fig 1: Tire Pressure Warning System Wiring Diagram (1 Of 2)
G08760766Courtesy of © TOYOTA, LICENSE AGREEMENT TMS1002
Fig 2: Tire Pressure Warning System Wiring Diagram (2 Of 2)
G08760767Courtesy of © TOYOTA, LICENSE AGREEMENT TMS1002