lemon-mirror:
Home >> Scion >> 2012 >> xB Automatic Trans >> Repair and Diagnosis >> Electrical >> Body Electrical >> OEM System Circuits >> Wireless Door Lock Control >> Notes

Wireless Door Lock Control: Notes

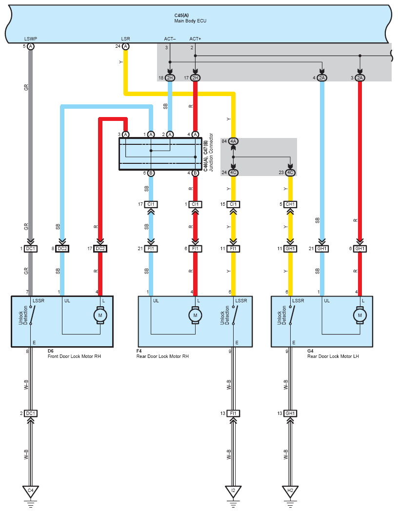
Fig 1: Wireless Door Lock Control System Wiring Diagram (1 Of 4)
G08760780Courtesy of © TOYOTA, LICENSE AGREEMENT TMS1002
Fig 2: Wireless Door Lock Control System Wiring Diagram (2 Of 4)
G08760781Courtesy of © TOYOTA, LICENSE AGREEMENT TMS1002
Fig 3: Wireless Door Lock Control System Wiring Diagram (3 Of 4)
G08760782Courtesy of © TOYOTA, LICENSE AGREEMENT TMS1002
Fig 4: Wireless Door Lock Control System Wiring Diagram (4 Of 4)
G08760783Courtesy of © TOYOTA, LICENSE AGREEMENT TMS1002