lemon-mirror:
Home >> Scion >> 2012 >> xB Standard Trans >> Repair and Diagnosis (Single Page) >> Engine Performance >> System >> Engine Control System (Diagnostics - Introduction) >> SFI System >> System Diagram >> System Diagram

System Diagram

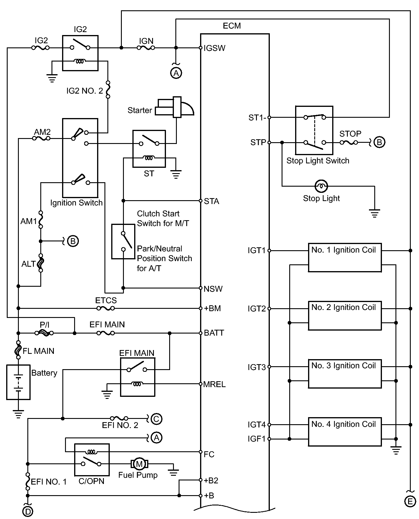
Fig 1: Engine Control System Diagram (1 Of 3)
GTY161024Courtesy of © TOYOTA, LICENSE AGREEMENT TMS1002
Fig 2: Engine Control System Diagram (2 Of 3)
GTY346807Courtesy of © TOYOTA, LICENSE AGREEMENT TMS1002
Fig 3: Engine Control System Diagram (3 Of 3)
GTY346717Courtesy of © TOYOTA, LICENSE AGREEMENT TMS1002