lemon-mirror:
Home >> Scion >> 2012 >> xD Automatic Trans >> Repair and Diagnosis >> Electrical >> Body Electrical >> OEM System Circuits >> Back Door Opener >> Notes

Back Door Opener: Notes

Fig 1: Back Door Opener System Wiring Diagram (1 Of 3)
G08761221Courtesy of © TOYOTA, LICENSE AGREEMENT TMS1002
Fig 2: Back Door Opener System Wiring Diagram (2 Of 3)
G08761222Courtesy of © TOYOTA, LICENSE AGREEMENT TMS1002
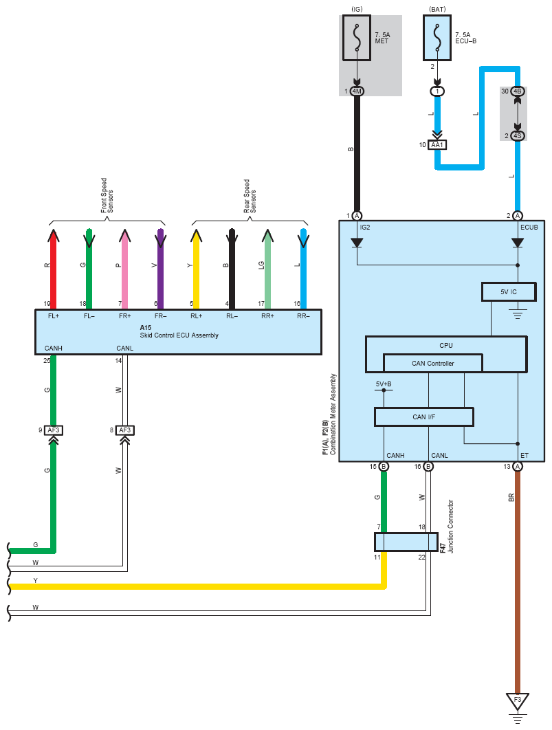
Fig 3: Back Door Opener System Wiring Diagram (3 Of 3)
G08761223Courtesy of © TOYOTA, LICENSE AGREEMENT TMS1002