lemon-mirror:
Home >> Scion >> 2012 >> xD Automatic Trans >> Repair and Diagnosis >> Electrical >> Body Electrical >> OEM System Circuits >> Combination Meter >> Notes

Combination Meter: Notes

Fig 1: Combination Meter System Wiring Diagram (3 Of 6)
G08761243Courtesy of © TOYOTA, LICENSE AGREEMENT TMS1002
Fig 2: Combination Meter System Wiring Diagram (4 Of 6)
G08761244Courtesy of © TOYOTA, LICENSE AGREEMENT TMS1002
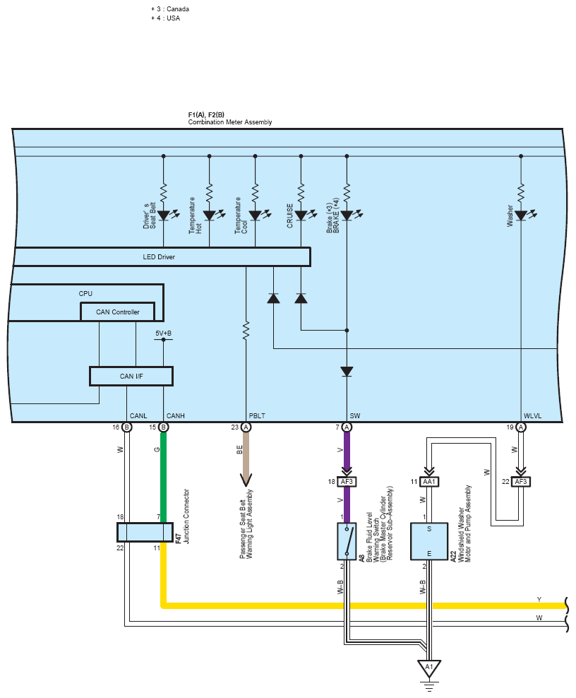
Fig 3: Combination Meter System Wiring Diagram (5 Of 6)
G08761245Courtesy of © TOYOTA, LICENSE AGREEMENT TMS1002
Fig 4: Combination Meter System Wiring Diagram (6 Of 6)
G08761246Courtesy of © TOYOTA, LICENSE AGREEMENT TMS1002