lemon-mirror:
Home >> Scion >> 2012 >> xD Automatic Trans >> Repair and Diagnosis >> Electrical >> Body Electrical >> OEM System Circuits >> Combination Meter >> Overview

Combination Meter: Overview

Fig 1: Combination Meter System Wiring Diagram (1 Of 6)
G08761241Courtesy of © TOYOTA, LICENSE AGREEMENT TMS1002
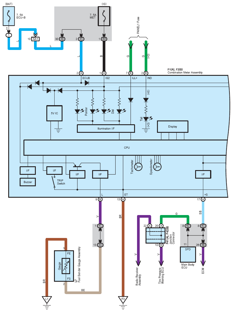
Fig 2: Combination Meter System Wiring Diagram (2 Of 6)
G08761242Courtesy of © TOYOTA, LICENSE AGREEMENT TMS1002