lemon-mirror:
Home >> Scion >> 2012 >> xD Automatic Trans >> Repair and Diagnosis >> Electrical >> Body Electrical >> OEM System Circuits >> EPS >> Notes

OEM System Circuits: EPS: Notes

Fig 1: EPS System Wiring Diagram (1 Of 2)
G08761208Courtesy of © TOYOTA, LICENSE AGREEMENT TMS1002
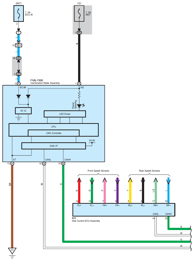
Fig 2: EPS System Wiring Diagram (2 Of 2)
G08761209Courtesy of © TOYOTA, LICENSE AGREEMENT TMS1002