lemon-mirror:
Home >> Scion >> 2012 >> xD Automatic Trans >> Repair and Diagnosis >> Electrical >> Body Electrical >> OEM System Circuits >> Interior Light >> Notes

Interior Light: Notes

Fig 1: Interior Light System Wiring Diagram (1 Of 3)
G08761176Courtesy of © TOYOTA, LICENSE AGREEMENT TMS1002
Fig 2: Interior Light System Wiring Diagram (2 Of 3)
G08761177Courtesy of © TOYOTA, LICENSE AGREEMENT TMS1002
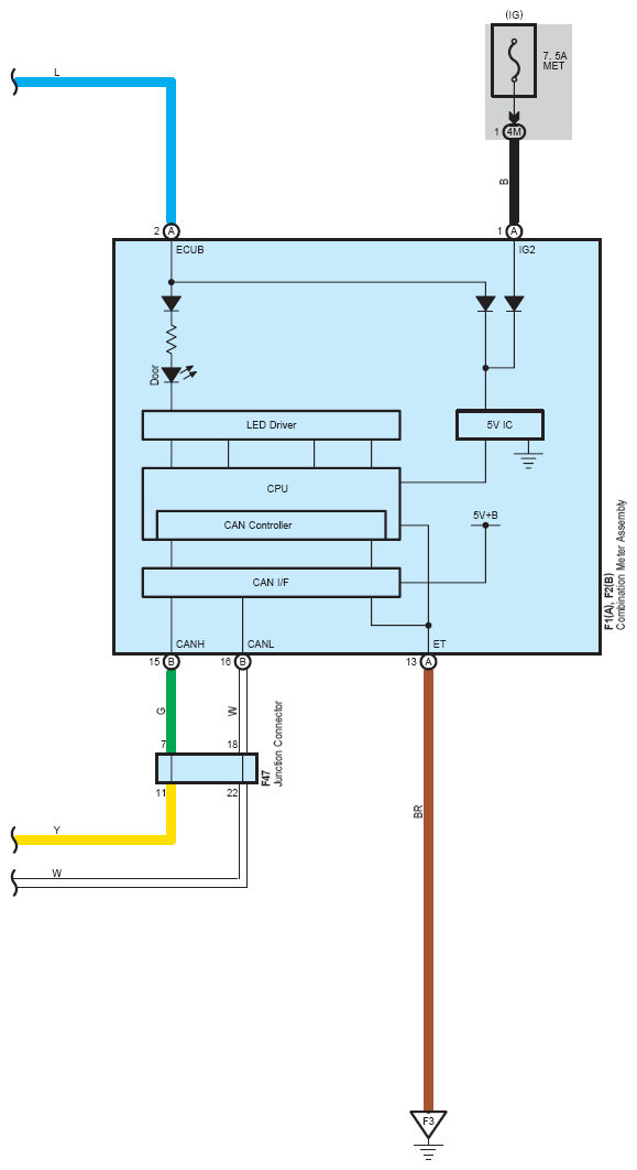
Fig 3: Interior Light System Wiring Diagram (3 Of 3)
G08761178Courtesy of © TOYOTA, LICENSE AGREEMENT TMS1002