lemon-mirror:
Home >> Scion >> 2012 >> xD Automatic Trans >> Repair and Diagnosis >> Electrical >> Body Electrical >> OEM System Circuits >> SRS >> Notes

OEM System Circuits: SRS: Notes

NOTE: When inspecting or repairing the SRS, perform service in accordance with the following precautionary instructions, and the procedure and precautions in the Repair Information applicable for the model year.
  • Malfunction symptoms of the SRS are difficult to confirm, so the DTCs become the most important source of information when troubleshooting. When troubleshooting the SRS, always inspect the DTCs before disconnecting the battery.
  • Work must be started no less than 90 seconds after the Ignition or Starter Switch Assembly has been turned to the "LOCK" position and the negative (-) terminal cable has been disconnected from the battery. (The SRS is equipped with a back-up power source so that if work is started within 90 seconds of disconnecting the negative (-) terminal cable from the battery, the SRS may accidentally deploy.) 
  • When the negative (-) terminal cable is disconnected from the battery, the clock and audio system memory will also be cleared. So before starting work, make a record of the contents in the audio memory system. When work is finished, reset the audio system as it was before and adjust the clock. Some vehicles have power tilt steering, power telescopic steering, power seat and power outside rear view mirror which are all equipped with a memory function. However, it is not possible to make a record of this data. So when the work is finished, it will be necessary to explain the situation to the customer, and ask the customer to adjust the feature and reset the memory. Never use a back-up power supply from outside the vehicle to avoid erasing the memory in each system.
  • Before beginning repairs, remove any airbag sensors if shocks are likely to be received by the sensor during the repairs.
  • Do not expose the following parts directly to hot air or flame;
  • Even in cases of a minor collision when the SRS does not deploy, the following parts should be inspected;
  • Never use any SRS parts from another vehicle. When replacing any parts, always replace them with new parts.
  • Never disassemble or repair the following parts in order to reuse them.
  • If the following parts have been dropped, or have cracks, dents or other defects in their case, bracket, or connector, replace with a new one.
  • Use a volt/ohmmeter with high impedance (10 kΩ/V minimum) for troubleshooting electrical circuits within the system.
  • Information labels are attached to the periphery of the SRS components. Follow all instructions on the notices.
  • After work on the SRS has been completed, check the SRS warning light.
  • If the vehicle is equipped with a mobile communication system, refer to the precautions in the applicable Repair Information.
Fig 1: SRS Parts Chart
G08761194Courtesy of © TOYOTA, LICENSE AGREEMENT TMS1002
Fig 2: SRS System Wiring Diagram (1 Of 6)
G08761195Courtesy of © TOYOTA, LICENSE AGREEMENT TMS1002
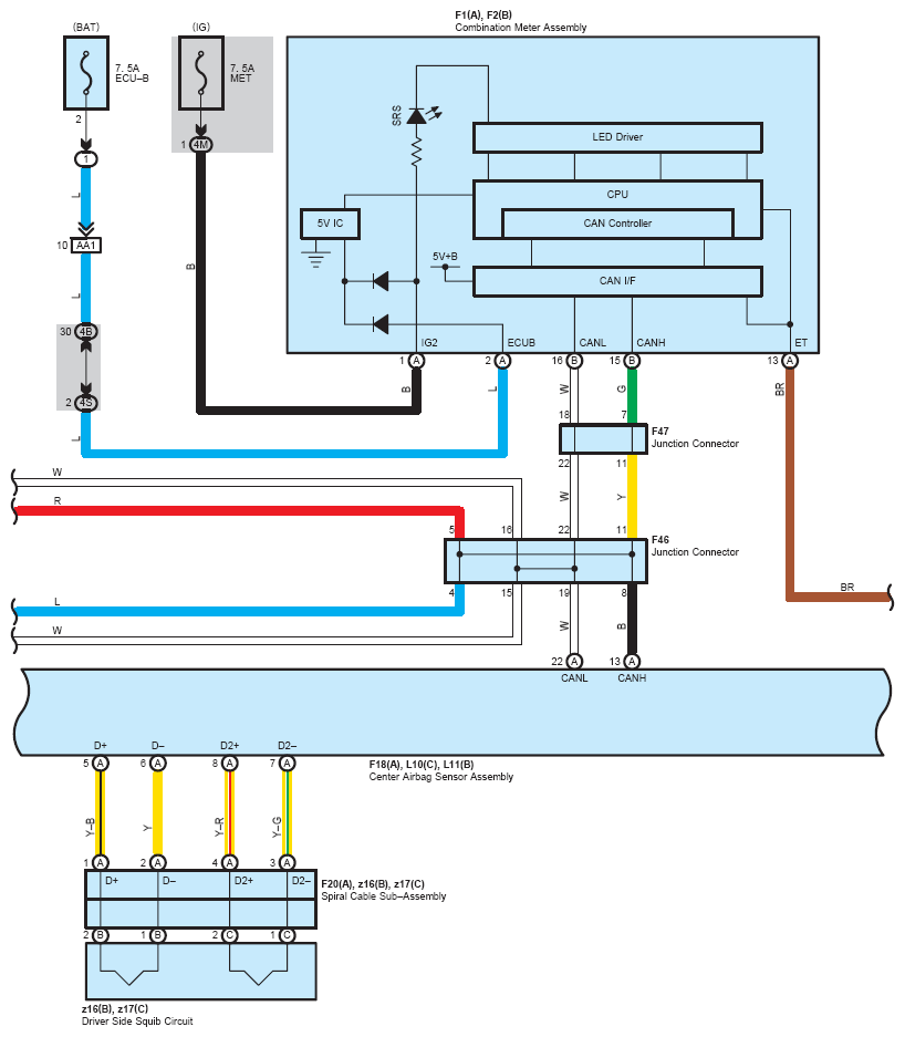
Fig 3: SRS System Wiring Diagram (2 Of 6)
G08761196Courtesy of © TOYOTA, LICENSE AGREEMENT TMS1002
Fig 4: SRS System Wiring Diagram (3 Of 6)
G08761197Courtesy of © TOYOTA, LICENSE AGREEMENT TMS1002
Fig 5: SRS System Wiring Diagram (4 Of 6)
G08761198Courtesy of © TOYOTA, LICENSE AGREEMENT TMS1002
Fig 6: SRS System Wiring Diagram (5 Of 6)
G08761199Courtesy of © TOYOTA, LICENSE AGREEMENT TMS1002
Fig 7: SRS System Wiring Diagram (6 Of 6)
G08761200Courtesy of © TOYOTA, LICENSE AGREEMENT TMS1002