lemon-mirror:
Home >> Scion >> 2012 >> xD Automatic Trans >> Repair and Diagnosis >> Electrical >> Body Electrical >> OEM System Circuits >> Starting >> Notes

OEM System Circuits: Starting: Notes

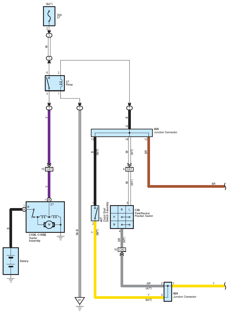
Fig 1: Starting System Wiring Diagram (1 Of 2)
G08761145Courtesy of © TOYOTA, LICENSE AGREEMENT TMS1002
Fig 2: Starting System Wiring Diagram (2 Of 2)
G08761146Courtesy of © TOYOTA, LICENSE AGREEMENT TMS1002