lemon-mirror:
Home >> Scion >> 2012 >> xD Automatic Trans >> Repair and Diagnosis >> Electrical >> Body Electrical >> OEM System Circuits >> Stop Light >> Notes

Stop Light: Notes

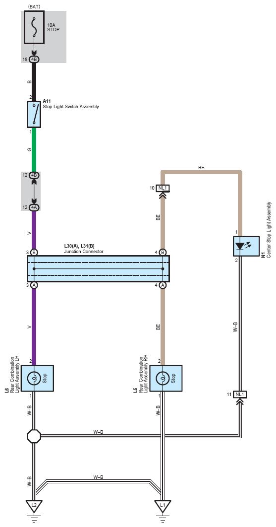
Fig 1: Stop Light System Wiring Diagram
G08761184Courtesy of © TOYOTA, LICENSE AGREEMENT TMS1002