lemon-mirror:
Home >> Scion >> 2013 >> FR-S Automatic Trans >> Repair and Diagnosis >> Electrical >> Body Electrical >> OEM System Circuits >> Engine Immobilizer System >> Notes

Engine Immobilizer System: Notes

Fig 1: Engine Immobilizer System - Wiring Diagram (1 Of 5)
G08774110Courtesy of © TOYOTA, LICENSE AGREEMENT TMS1002
Fig 2: Engine Immobilizer System - Wiring Diagram (2 Of 5)
G08774111Courtesy of © TOYOTA, LICENSE AGREEMENT TMS1002
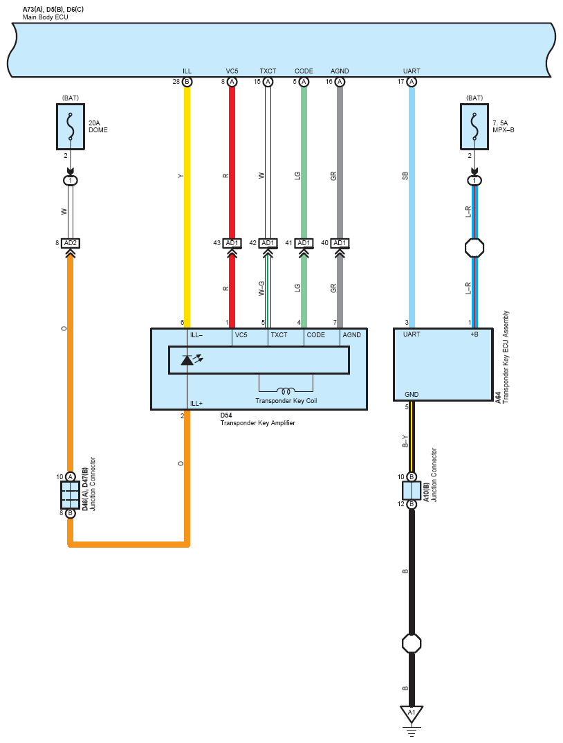
Fig 3: Engine Immobilizer System - Wiring Diagram (3 Of 5)
G08774112Courtesy of © TOYOTA, LICENSE AGREEMENT TMS1002
Fig 4: Engine Immobilizer System - Wiring Diagram (4 Of 5)
G08774113Courtesy of © TOYOTA, LICENSE AGREEMENT TMS1002
Fig 5: Engine Immobilizer System - Wiring Diagram (5 Of 5)
G08774114Courtesy of © TOYOTA, LICENSE AGREEMENT TMS1002