lemon-mirror:
Home >> Scion >> 2013 >> FR-S Automatic Trans >> Repair and Diagnosis >> Electrical >> Body Electrical >> OEM System Circuits >> Remote Control Mirror >> Notes

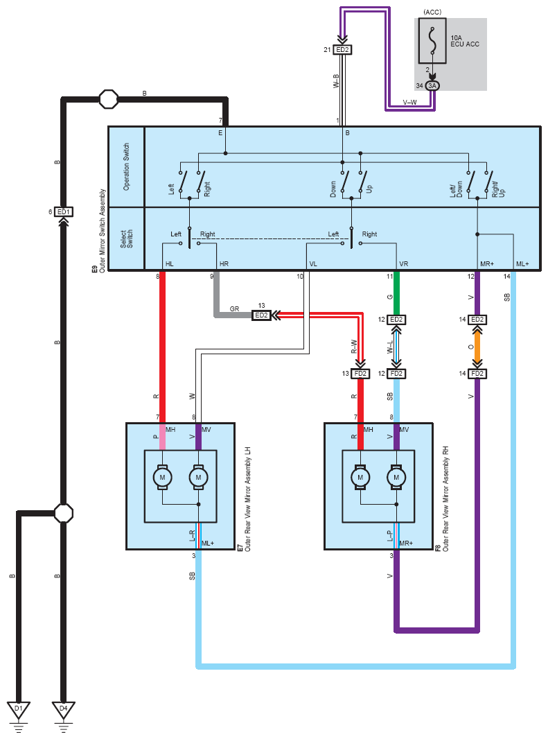
Remote Control Mirror: Notes

Fig 1: Remote Control Mirror - Wiring Diagram
G08774208Courtesy of © TOYOTA, LICENSE AGREEMENT TMS1002