lemon-mirror:
Home >> Scion >> 2013 >> FR-S Automatic Trans >> Repair and Diagnosis >> Electrical >> Body Electrical >> OEM System Circuits >> Stop Light >> Notes

Stop Light: Notes

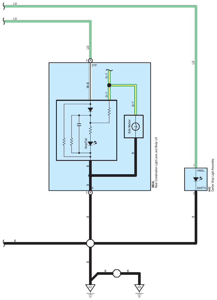
Fig 1: Stop Light - Wiring Diagram (1 Of 3)
G08774126Courtesy of © TOYOTA, LICENSE AGREEMENT TMS1002
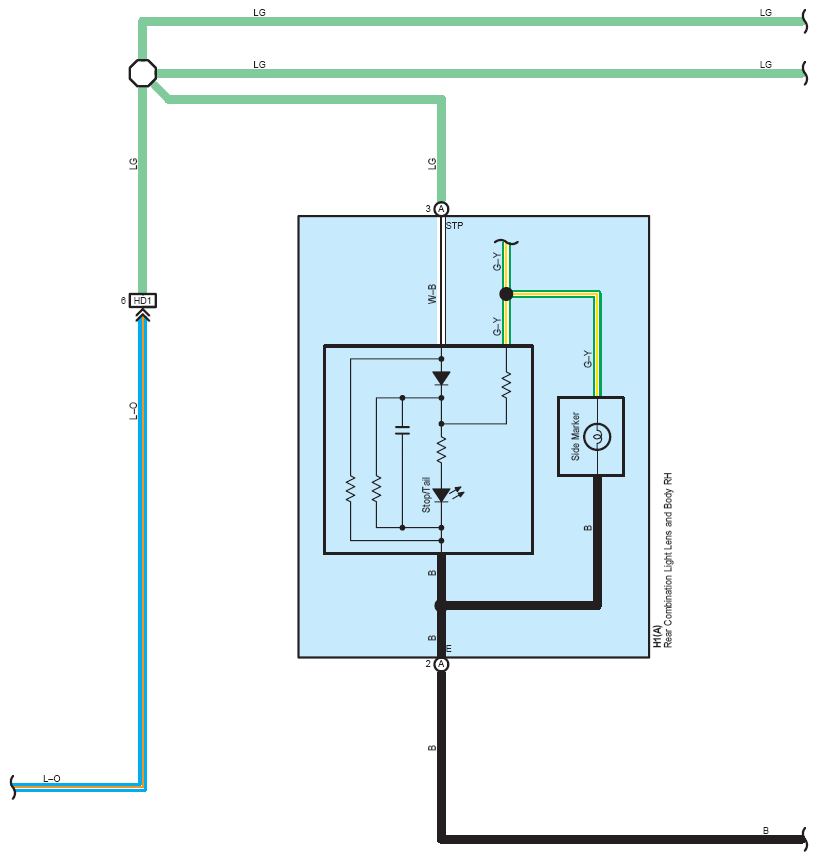
Fig 2: Stop Light - Wiring Diagram (2 Of 3)
G08774127Courtesy of © TOYOTA, LICENSE AGREEMENT TMS1002
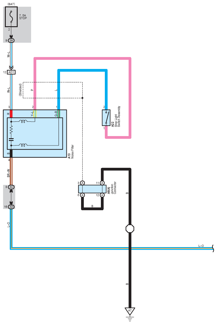
Fig 3: Stop Light - Wiring Diagram (3 Of 3)
G08774128Courtesy of © TOYOTA, LICENSE AGREEMENT TMS1002