lemon-mirror:
Home >> Scion >> 2013 >> iQ Base >> Repair and Diagnosis >> Electrical >> Body Electrical >> OEM System Circuits >> CVT, Engine Control and Shift Indicator >> Notes

CVT, Engine Control and Shift Indicator: Notes

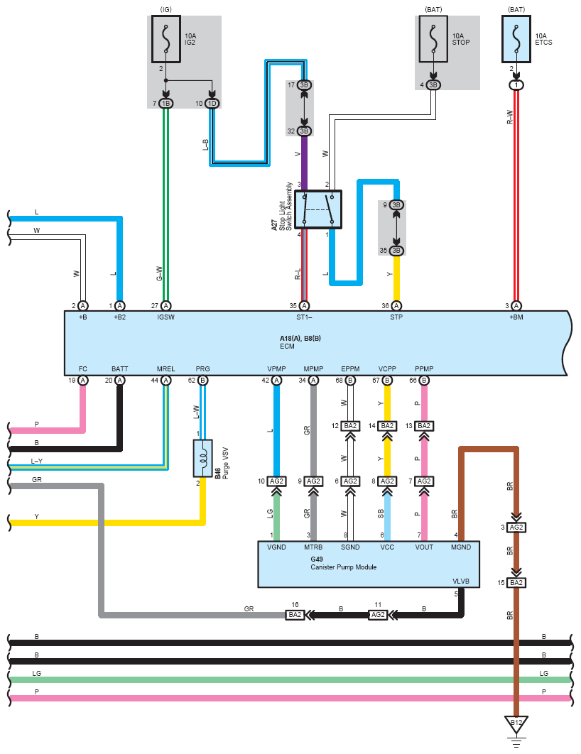
Fig 1: CVT, Engine Control And Shift Indicator - Wiring Diagram (1 Of 13)
G08774641Courtesy of © TOYOTA, LICENSE AGREEMENT TMS1002
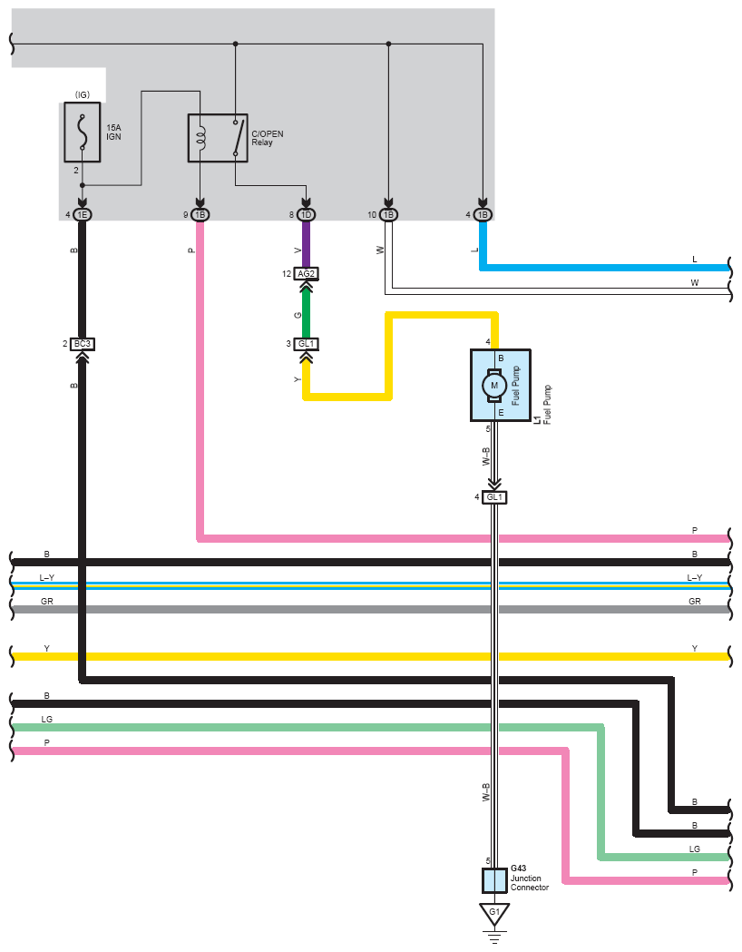
Fig 2: CVT, Engine Control And Shift Indicator - Wiring Diagram (2 Of 13)
G08774642Courtesy of © TOYOTA, LICENSE AGREEMENT TMS1002
Fig 3: CVT, Engine Control And Shift Indicator - Wiring Diagram (3 Of 13)
G08774643Courtesy of © TOYOTA, LICENSE AGREEMENT TMS1002
Fig 4: CVT, Engine Control And Shift Indicator - Wiring Diagram (4 Of 13)
G08774644Courtesy of © TOYOTA, LICENSE AGREEMENT TMS1002
Fig 5: CVT, Engine Control And Shift Indicator - Wiring Diagram (5 Of 13)
G08774645Courtesy of © TOYOTA, LICENSE AGREEMENT TMS1002
Fig 6: CVT, Engine Control And Shift Indicator - Wiring Diagram (6 Of 13)
G08774646Courtesy of © TOYOTA, LICENSE AGREEMENT TMS1002
Fig 7: CVT, Engine Control And Shift Indicator - Wiring Diagram (7 Of 13)
G08774647Courtesy of © TOYOTA, LICENSE AGREEMENT TMS1002
Fig 8: CVT, Engine Control And Shift Indicator - Wiring Diagram (8 Of 13)
G08774648Courtesy of © TOYOTA, LICENSE AGREEMENT TMS1002
Fig 9: CVT, Engine Control And Shift Indicator - Wiring Diagram (9 Of 13)
G08774649Courtesy of © TOYOTA, LICENSE AGREEMENT TMS1002
Fig 10: CVT, Engine Control And Shift Indicator - Wiring Diagram (10 Of 13)
G08774650Courtesy of © TOYOTA, LICENSE AGREEMENT TMS1002
Fig 11: CVT, Engine Control And Shift Indicator - Wiring Diagram (11 Of 13)
G08774651Courtesy of © TOYOTA, LICENSE AGREEMENT TMS1002
Fig 12: CVT, Engine Control And Shift Indicator - Wiring Diagram (12 Of 13)
G08774652Courtesy of © TOYOTA, LICENSE AGREEMENT TMS1002
Fig 13: CVT, Engine Control And Shift Indicator - Wiring Diagram (13 Of 13)
G08774653Courtesy of © TOYOTA, LICENSE AGREEMENT TMS1002