lemon-mirror:
Home >> Scion >> 2013 >> iQ Base >> Repair and Diagnosis >> Electrical >> Body Electrical >> OEM System Circuits >> Charging >> Notes

OEM System Circuits: Charging: Notes

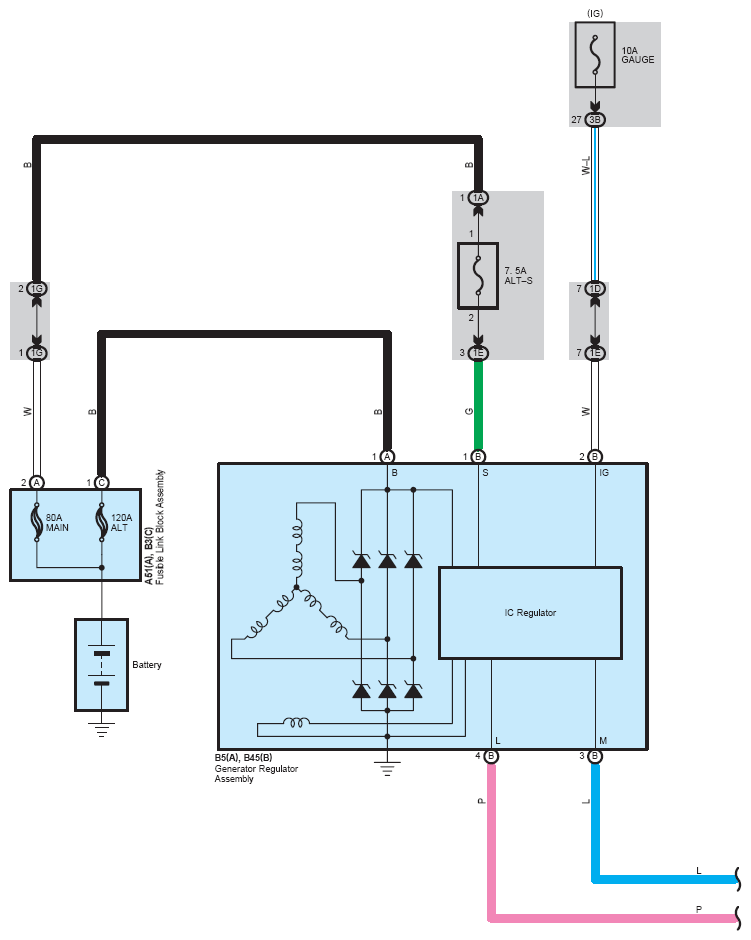
Fig 1: Charging - Wiring Diagram (1 Of 2)
G08774638Courtesy of © TOYOTA, LICENSE AGREEMENT TMS1002
Fig 2: Charging - Wiring Diagram (2 Of 2)
G08774639Courtesy of © TOYOTA, LICENSE AGREEMENT TMS1002