lemon-mirror:
Home >> Scion >> 2013 >> iQ Base >> Repair and Diagnosis >> Electrical >> Body Electrical >> OEM System Circuits >> Engine Immobilizer System >> Notes

Engine Immobilizer System: Notes

Fig 1: Engine Immobilizer System - Wiring Diagram (1 Of 2)
G08774654Courtesy of © TOYOTA, LICENSE AGREEMENT TMS1002
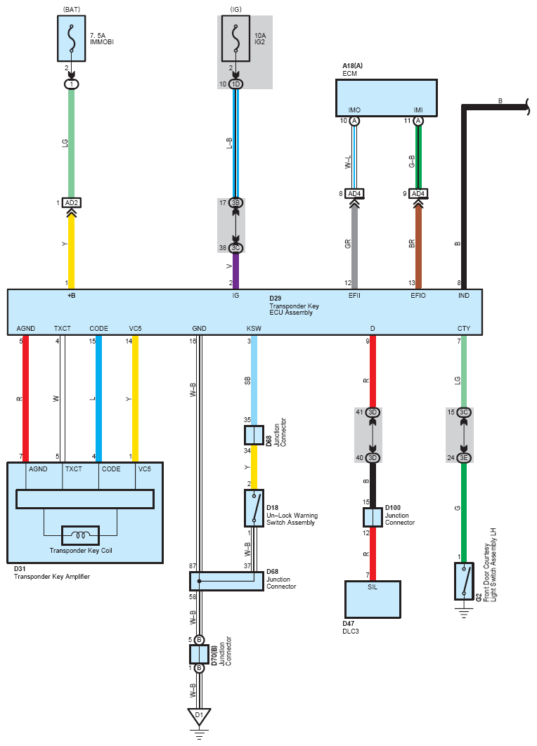
Fig 2: Engine Immobilizer System - Wiring Diagram (2 Of 2)
G08774655Courtesy of © TOYOTA, LICENSE AGREEMENT TMS1002