lemon-mirror:
Home >> Scion >> 2013 >> iQ Base >> Repair and Diagnosis >> Electrical >> Body Electrical >> OEM System Circuits >> Front Wiper and Washer >> Notes

Front Wiper and Washer: Notes

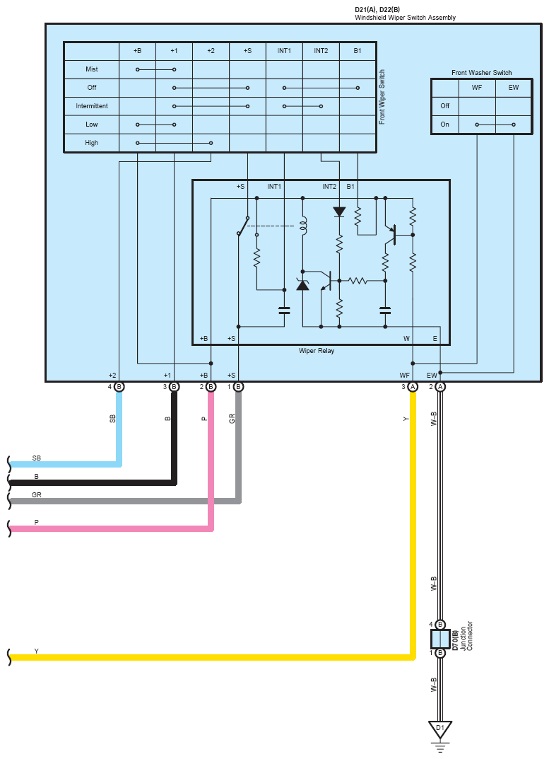
Fig 1: Front Wiper And Washer - Wiring Diagram (1 Of 2)
G08774713Courtesy of © TOYOTA, LICENSE AGREEMENT TMS1002
Fig 2: Front Wiper And Washer - Wiring Diagram (2 Of 2)
G08774714Courtesy of © TOYOTA, LICENSE AGREEMENT TMS1002