lemon-mirror:
Home >> Scion >> 2013 >> iQ Base >> Repair and Diagnosis >> Electrical >> Body Electrical >> OEM System Circuits >> Headlight >> Notes

OEM System Circuits: Headlight: Notes

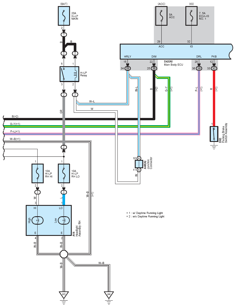
Fig 1: Headlight - Wiring Diagram (1 Of 4)
G08774659Courtesy of © TOYOTA, LICENSE AGREEMENT TMS1002
Fig 2: Headlight - Wiring Diagram (2 Of 4)
G08774660Courtesy of © TOYOTA, LICENSE AGREEMENT TMS1002
Fig 3: Headlight - Wiring Diagram (3 Of 4)
G08774661Courtesy of © TOYOTA, LICENSE AGREEMENT TMS1002
Fig 4: Headlight - Wiring Diagram (4 Of 4)
G08774662Courtesy of © TOYOTA, LICENSE AGREEMENT TMS1002