lemon-mirror:
Home >> Scion >> 2013 >> iQ Base >> Repair and Diagnosis >> Electrical >> Body Electrical >> OEM System Circuits >> Power Source >> Notes

Power Source: Notes

Fig 1: Power Source - Wiring Diagram (1 Of 4)
G08774632Courtesy of © TOYOTA, LICENSE AGREEMENT TMS1002
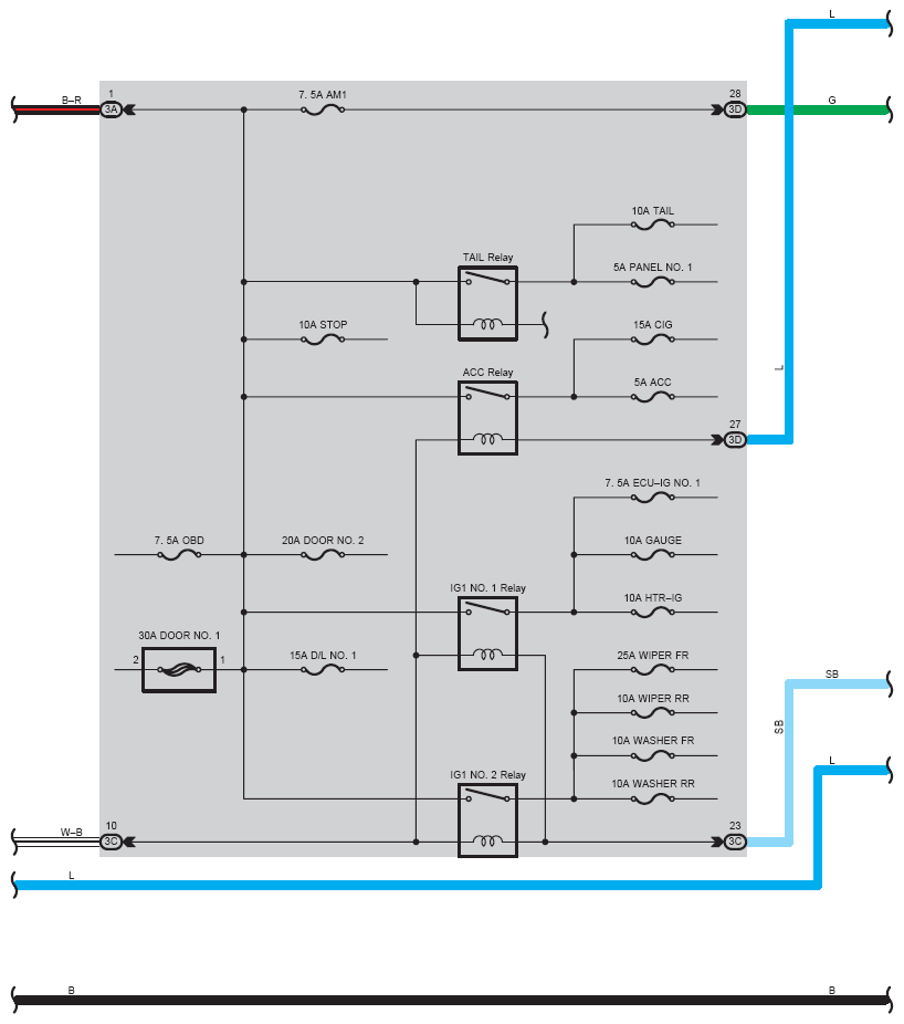
Fig 2: Power Source - Wiring Diagram (2 Of 4)
G08774633Courtesy of © TOYOTA, LICENSE AGREEMENT TMS1002
Fig 3: Power Source - Wiring Diagram (3 Of 4)
G08774634Courtesy of © TOYOTA, LICENSE AGREEMENT TMS1002
Fig 4: Power Source - Wiring Diagram (4 Of 4)
G08774635Courtesy of © TOYOTA, LICENSE AGREEMENT TMS1002