lemon-mirror:
Home >> Scion >> 2013 >> iQ Base >> Repair and Diagnosis >> Electrical >> Body Electrical >> OEM System Circuits >> Shift Lock >> Notes

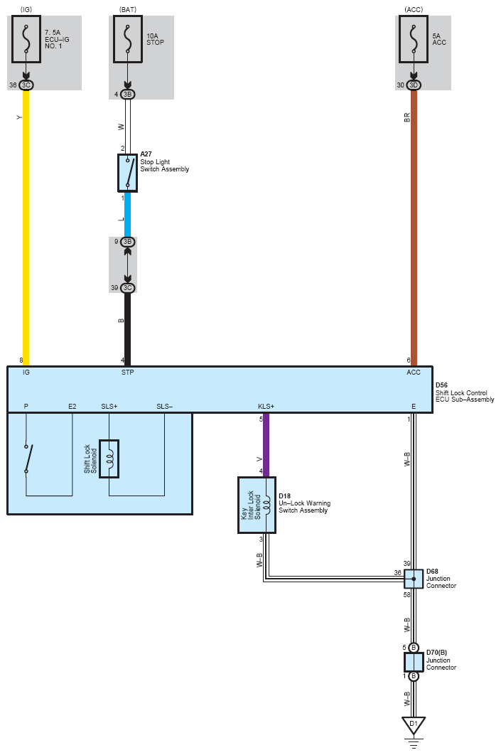
Shift Lock: Notes

Fig 1: Shift Lock - Wiring Diagram
G08774719Courtesy of © TOYOTA, LICENSE AGREEMENT TMS1002