lemon-mirror:
Home >> Scion >> 2013 >> iQ Base >> Repair and Diagnosis >> Electrical >> Body Electrical >> OEM System Circuits >> Wireless Door Lock Control >> Notes

Wireless Door Lock Control: Notes

Fig 1: Wireless Door Lock Control - Wiring Diagram (1 Of 3)
G08774707Courtesy of © TOYOTA, LICENSE AGREEMENT TMS1002
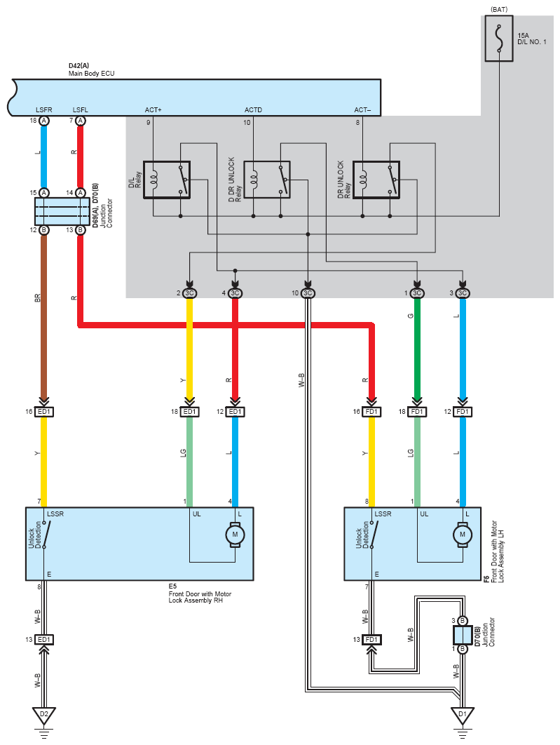
Fig 2: Wireless Door Lock Control - Wiring Diagram (2 Of 3)
G08774708Courtesy of © TOYOTA, LICENSE AGREEMENT TMS1002
Fig 3: Wireless Door Lock Control - Wiring Diagram (3 Of 3)
G08774709Courtesy of © TOYOTA, LICENSE AGREEMENT TMS1002