lemon-mirror:
Home >> Scion >> 2013 >> tC Automatic Trans >> Repair and Diagnosis >> Electrical >> Body Electrical >> OEM Ground Points >> Ground Point >> Notes

Ground Point: Notes

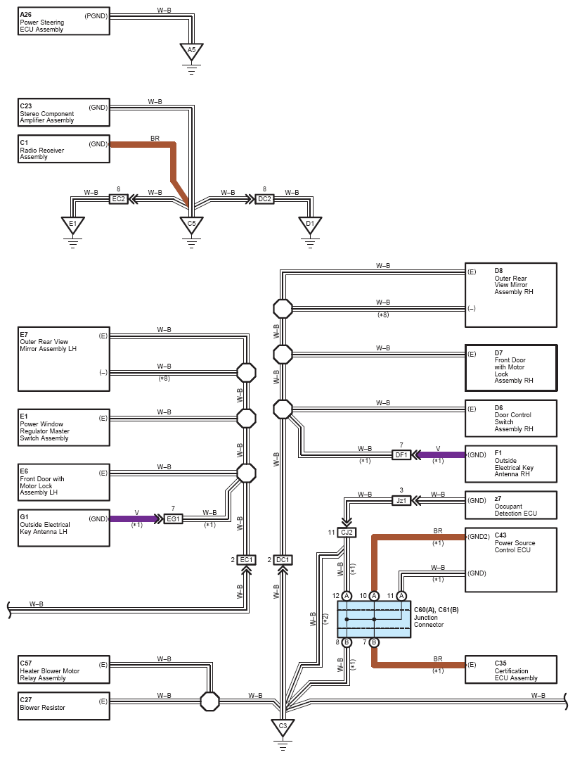
Fig 1: Ground Point Wiring Diagram (1 Of 6)
G08775184Courtesy of © TOYOTA, LICENSE AGREEMENT TMS1002
Fig 2: Ground Point Wiring Diagram (2 Of 6)
G08775185Courtesy of © TOYOTA, LICENSE AGREEMENT TMS1002
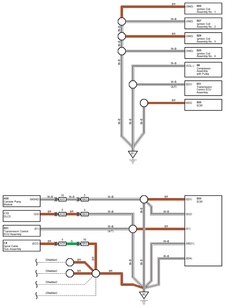
Fig 3: Ground Point Wiring Diagram (3 Of 6)
G08775186Courtesy of © TOYOTA, LICENSE AGREEMENT TMS1002
Fig 4: Ground Point Wiring Diagram (4 Of 6)
G08775187Courtesy of © TOYOTA, LICENSE AGREEMENT TMS1002
Fig 5: Ground Point Wiring Diagram (5 Of 6)
G08775188Courtesy of © TOYOTA, LICENSE AGREEMENT TMS1002
Fig 6: Ground Point Wiring Diagram (6 Of 6)
G08775189Courtesy of © TOYOTA, LICENSE AGREEMENT TMS1002