lemon-mirror:
Home >> Scion >> 2013 >> tC Automatic Trans >> Repair and Diagnosis >> Electrical >> Body Electrical >> OEM System Circuits >> Back Door Opener >> Notes

Back Door Opener: Notes

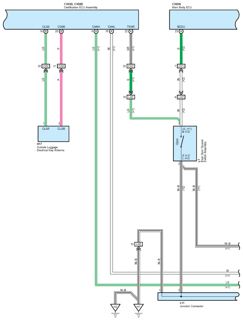
Fig 1: Back Door Opener - Wiring Diagram (1 Of 5)
G08775132Courtesy of © TOYOTA, LICENSE AGREEMENT TMS1002
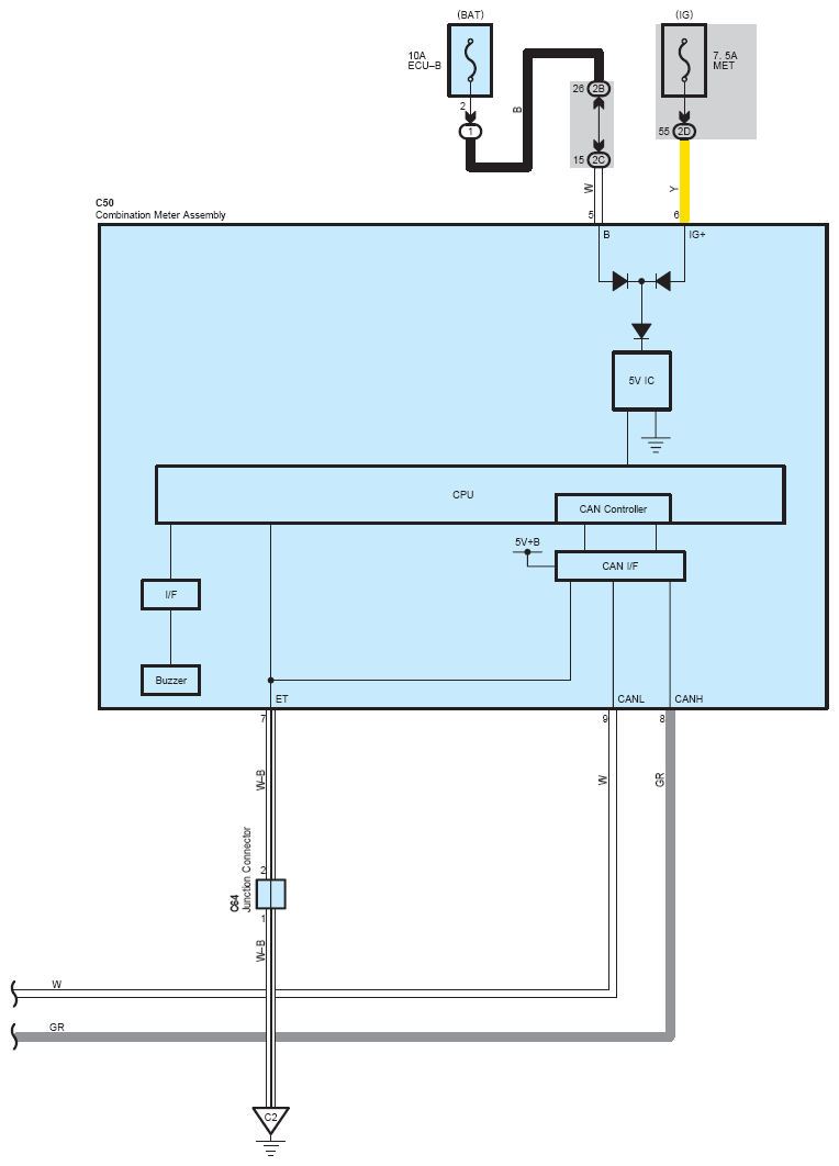
Fig 2: Back Door Opener - Wiring Diagram (2 Of 5)
G08775133Courtesy of © TOYOTA, LICENSE AGREEMENT TMS1002
Fig 3: Back Door Opener - Wiring Diagram (3 Of 5)
G08775134Courtesy of © TOYOTA, LICENSE AGREEMENT TMS1002
Fig 4: Back Door Opener - Wiring Diagram (4 Of 5)
G08775135Courtesy of © TOYOTA, LICENSE AGREEMENT TMS1002
Fig 5: Back Door Opener - Wiring Diagram (5 Of 5)
G08775136Courtesy of © TOYOTA, LICENSE AGREEMENT TMS1002