lemon-mirror:
Home >> Scion >> 2013 >> tC Automatic Trans >> Repair and Diagnosis >> Electrical >> Body Electrical >> OEM System Circuits >> Remote Control Mirror >> Notes

Remote Control Mirror: Notes

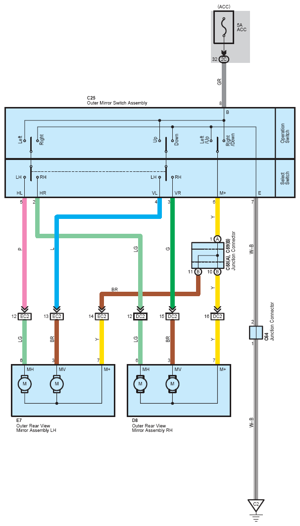
Fig 1: Remote Control Mirror - Wiring Diagram
G08775163Courtesy of © TOYOTA, LICENSE AGREEMENT TMS1002