lemon-mirror:
Home >> Scion >> 2013 >> tC Automatic Trans >> Repair and Diagnosis >> Electrical >> Body Electrical >> OEM System Circuits >> Sliding Roof >> Notes

Sliding Roof: Notes

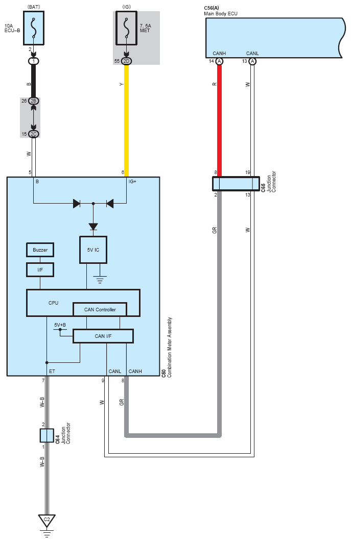
Fig 1: Sliding Roof - Wiring Diagram (1 Of 3)
G08775118Courtesy of © TOYOTA, LICENSE AGREEMENT TMS1002
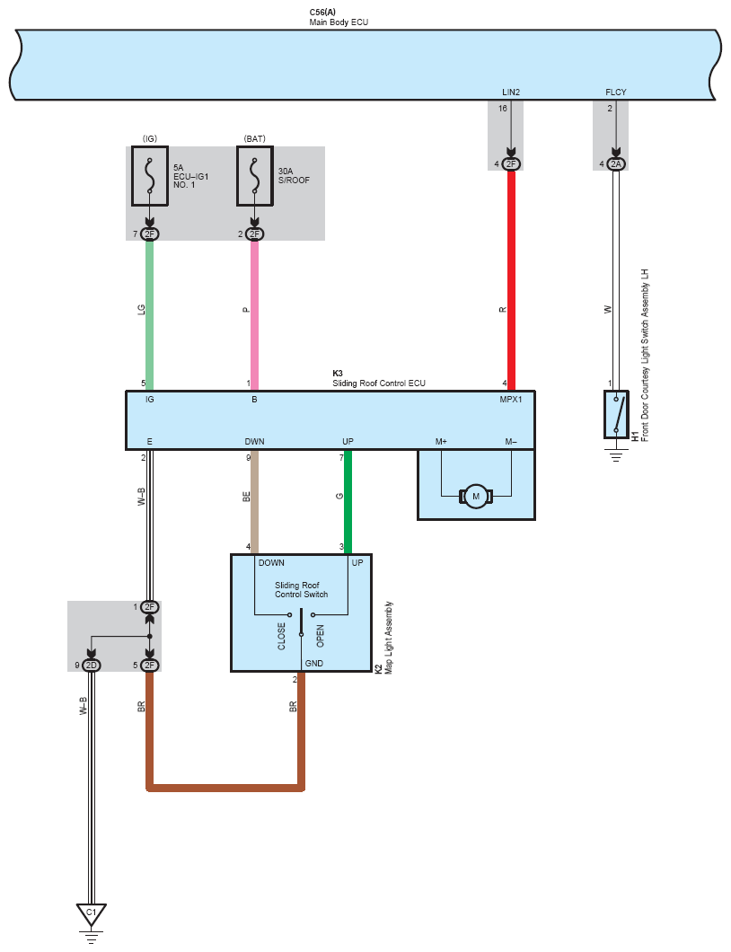
Fig 2: Sliding Roof - Wiring Diagram (2 Of 3)
G08775119Courtesy of © TOYOTA, LICENSE AGREEMENT TMS1002
Fig 3: Sliding Roof - Wiring Diagram (3 Of 3)
G08775120Courtesy of © TOYOTA, LICENSE AGREEMENT TMS1002