lemon-mirror:
Home >> Scion >> 2013 >> tC Automatic Trans >> Repair and Diagnosis >> Electrical >> Body Electrical >> OEM System Circuits >> Stop Light >> Notes

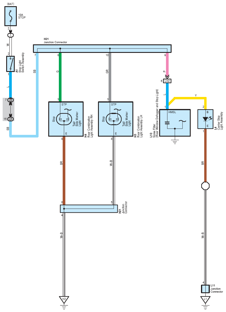
Stop Light: Notes

Fig 1: Stop Light - Wiring Diagram
G08775100Courtesy of © TOYOTA, LICENSE AGREEMENT TMS1002