lemon-mirror:
Home >> Scion >> 2013 >> tC Automatic Trans >> Repair and Diagnosis >> Electrical >> Body Electrical >> OEM System Circuits >> Tire Pressure Warning System >> Notes

Tire Pressure Warning System: Notes

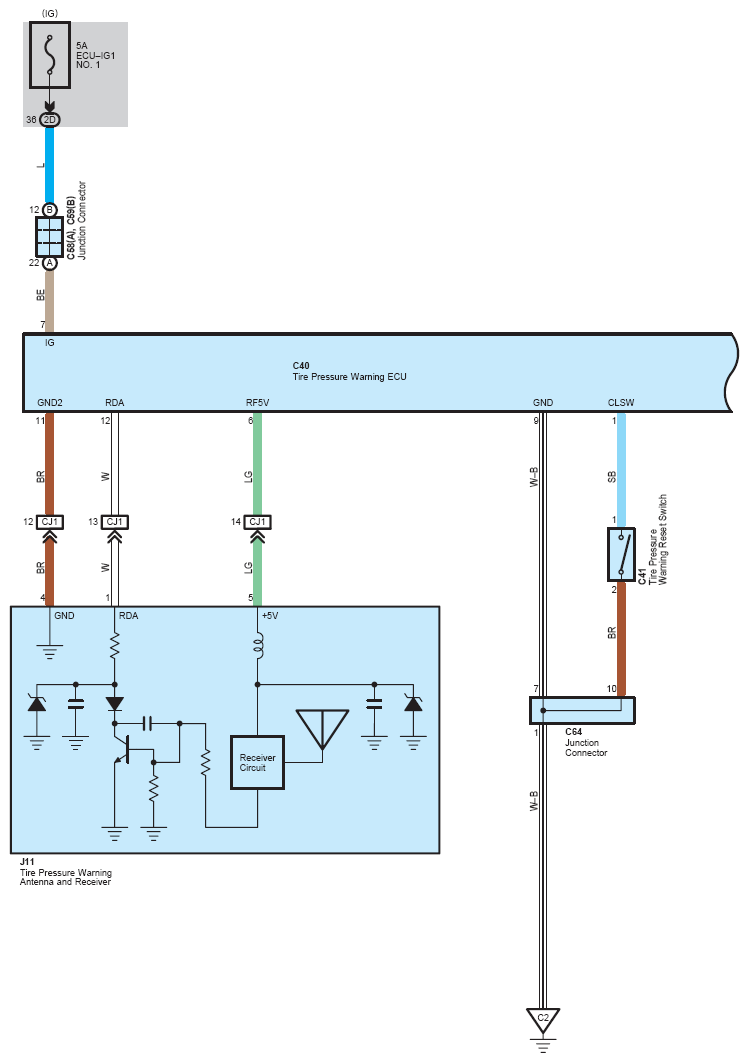
Fig 1: Tire Pressure Warning System - Wiring Diagram (1 Of 3)
G08775152Courtesy of © TOYOTA, LICENSE AGREEMENT TMS1002
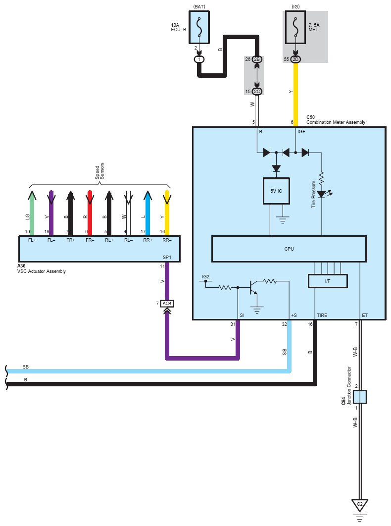
Fig 2: Tire Pressure Warning System - Wiring Diagram (2 Of 3)
G08775153Courtesy of © TOYOTA, LICENSE AGREEMENT TMS1002
Fig 3: Tire Pressure Warning System - Wiring Diagram (3 Of 3)
G08775154Courtesy of © TOYOTA, LICENSE AGREEMENT TMS1002