lemon-mirror:
Home >> Scion >> 2013 >> xB Automatic Trans >> Repair and Diagnosis >> Electrical >> Body Electrical >> OEM System Circuits >> Engine Immobilizer System >> Notes

Engine Immobilizer System: Notes

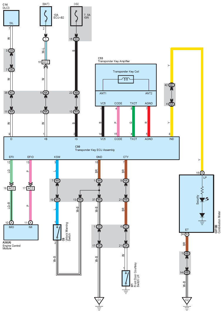
Fig 1: Engine Immobilizer System - Wiring Diagram
G08776863Courtesy of © TOYOTA, LICENSE AGREEMENT TMS1002