lemon-mirror:
Home >> Scion >> 2013 >> xB Automatic Trans >> Repair and Diagnosis >> Electrical >> Body Electrical >> OEM System Circuits >> Power Window >> Notes

Power Window: Notes

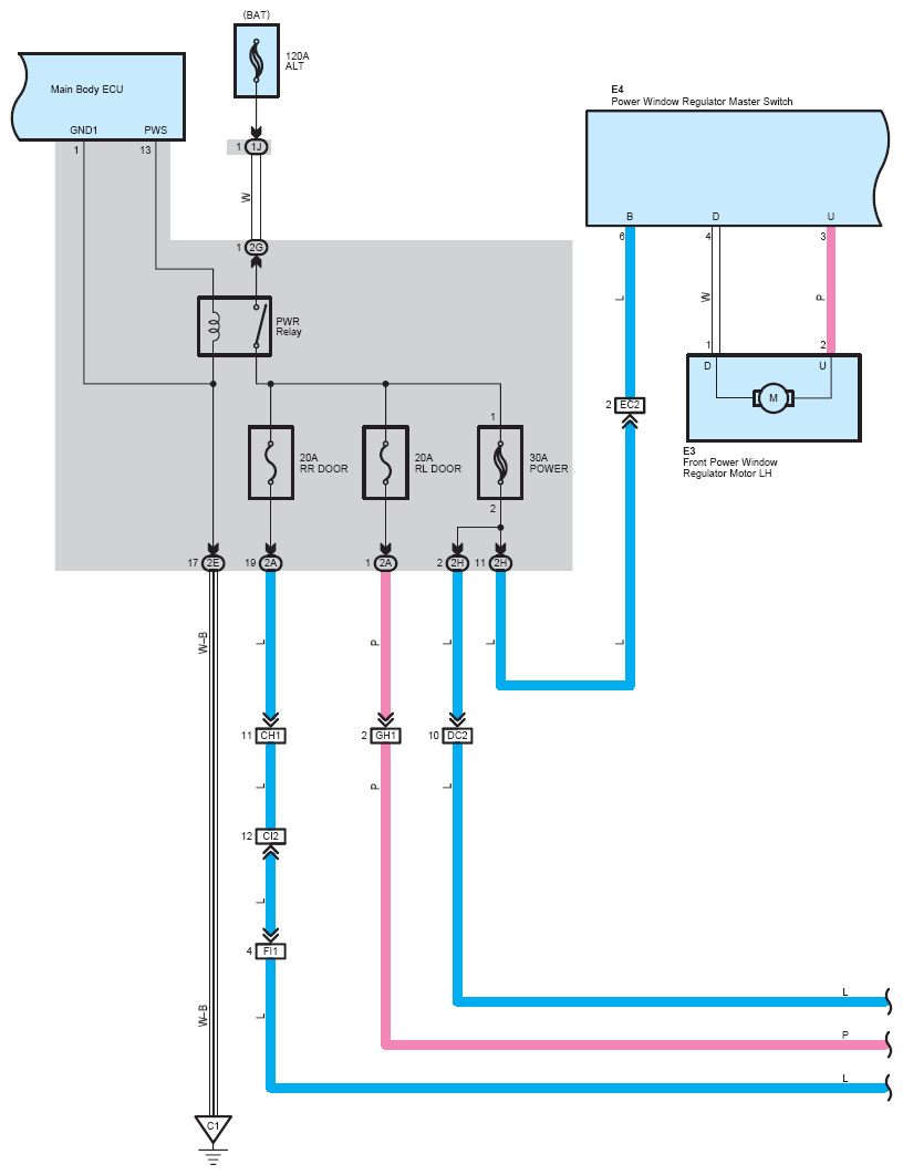
Fig 1: Power Window - Wiring Diagram (1 Of 3)
G08776904Courtesy of © TOYOTA, LICENSE AGREEMENT TMS1002
Fig 2: Power Window - Wiring Diagram (2 Of 3)
G08776905Courtesy of © TOYOTA, LICENSE AGREEMENT TMS1002
Fig 3: Power Window - Wiring Diagram (3 Of 3)
G08776906Courtesy of © TOYOTA, LICENSE AGREEMENT TMS1002