lemon-mirror:
Home >> Scion >> 2013 >> xB Automatic Trans >> Repair and Diagnosis >> Electrical >> Body Electrical >> OEM System Circuits >> Shift Lock >> Notes

Shift Lock: Notes

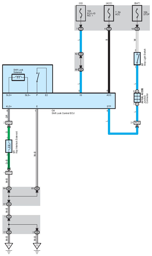
Fig 1: Shift Lock - Wiring Diagram
G08776921Courtesy of © TOYOTA, LICENSE AGREEMENT TMS1002