lemon-mirror:
Home >> Scion >> 2013 >> xB Automatic Trans >> Repair and Diagnosis >> Electrical >> Body Electrical >> OEM System Circuits >> Starting >> Notes

OEM System Circuits: Starting: Notes

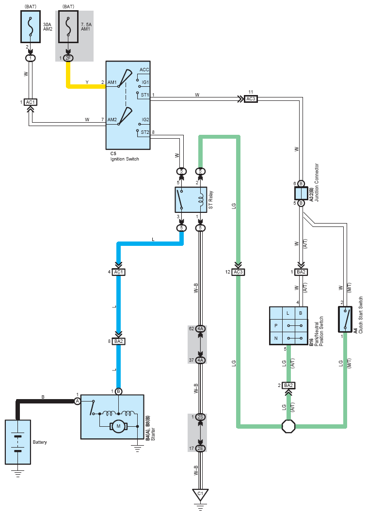
Fig 1: Starting - Wiring Diagram
G08776837Courtesy of © TOYOTA, LICENSE AGREEMENT TMS1002