lemon-mirror:
Home >> Scion >> 2013 >> xD Automatic Trans >> Repair and Diagnosis >> Electrical >> Body Electrical >> OEM System Circuits >> Back Door Opener >> Notes

Back Door Opener: Notes

Fig 1: Back Door Opener - Circuit Diagram (1 Of 3)
G08777351Courtesy of © TOYOTA, LICENSE AGREEMENT TMS1002
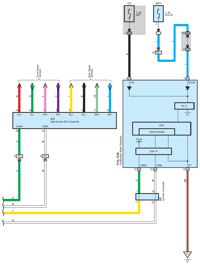
Fig 2: Back Door Opener - Circuit Diagram (2 Of 3)
G08777352Courtesy of © TOYOTA, LICENSE AGREEMENT TMS1002
Fig 3: Back Door Opener - Circuit Diagram (3 Of 3)
G08777353Courtesy of © TOYOTA, LICENSE AGREEMENT TMS1002