lemon-mirror:
Home >> Scion >> 2013 >> xD Automatic Trans >> Repair and Diagnosis >> Electrical >> Body Electrical >> OEM System Circuits >> Power Window >> Notes

Power Window: Notes

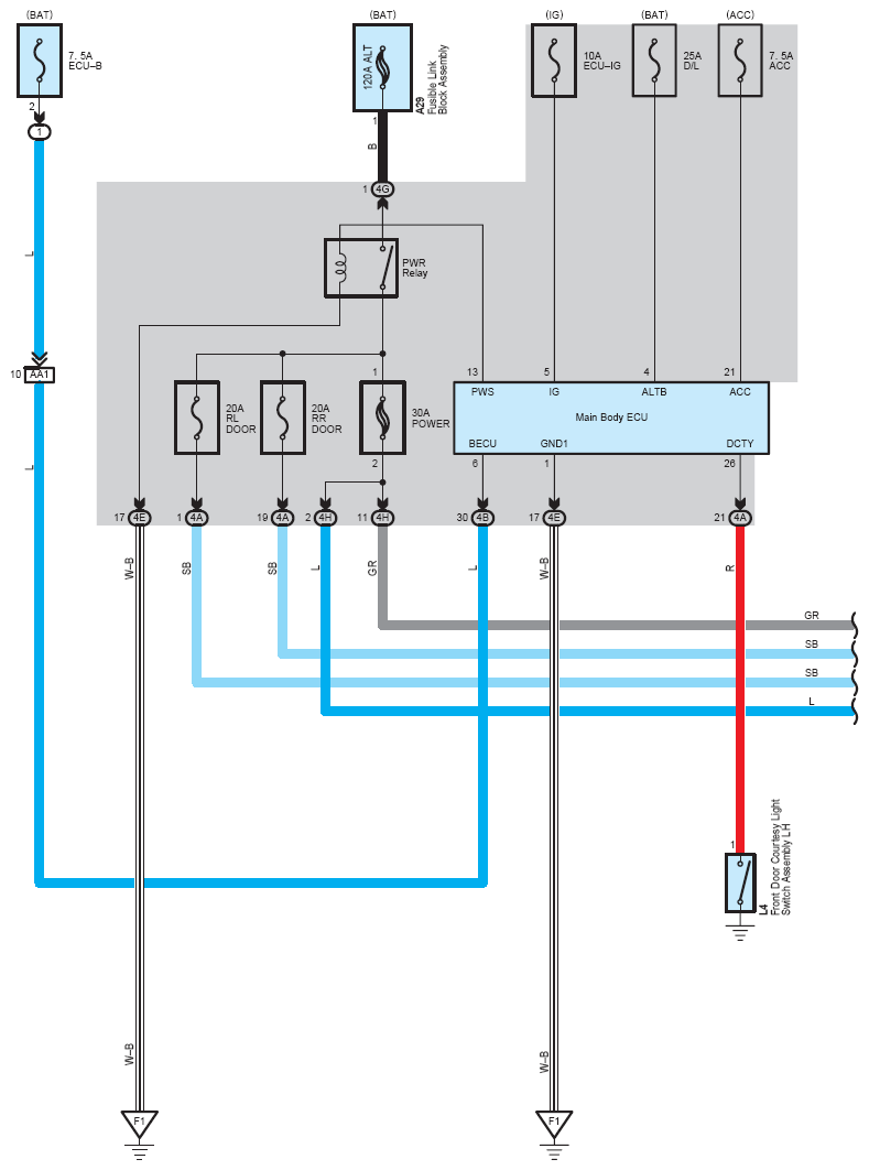
Fig 1: Power Window - Circuit Diagram (1 Of 3)
G08777340Courtesy of © TOYOTA, LICENSE AGREEMENT TMS1002
Fig 2: Power Window - Circuit Diagram (2 Of 3)
G08777341Courtesy of © TOYOTA, LICENSE AGREEMENT TMS1002
Fig 3: Power Window - Circuit Diagram (3 Of 3)
G08777342Courtesy of © TOYOTA, LICENSE AGREEMENT TMS1002