lemon-mirror:
Home >> Subaru >> 1978 >> GF Automatic Trans >> Repair and Diagnosis >> Electrical >> Charging Systems >> HITACHI Alternators >> Testing >> Integrated Circuit (Ic) Regulator >> Testing

Integrated Circuit (Ic) Regulator: Testing

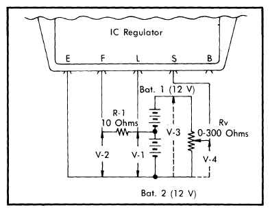
  1. Remove brush assembly and with suitable tester, connect wiring as shown in Fig 2. If V-1 voltage is not within 10-13 volts, charge or replace battery as necessary. Disconnect lead at terminal "S" and check voltage between terminals "F" and "E". If less than 2.0 volts, regulator is functioning properly.
    Fig 1: Front and Rear Views of IC Regulator (Datsun)
    G09342230Courtesy of NOT AVAILABLE
  2. Measure total voltage (V-3) of batteries 1 and 2. If not within 20-26 volts, recharge or replace. Gradually decrease variable resistance (Rv) from 300 ohms and check voltage (V-2) between terminals "E" and "F". At some point, V-2 should increase to equal V-1 measured in step  1). If no V-2 variation occurs as described, regulator is defective.
  3. Measure voltage (V-4) between center tap of variable resistor (Rv) and terminal "E". With resistance set as in previous step, voltage should be 14.7 ±.5 volts at 68°F (20°C). At extremely high case temperatures, voltage may be 1 volt lower, while at extremely cold temperatures, voltage may be 1 volt higher.
  4. Remove test lead from terminal "S" and connect to terminal "B". Repeat steps  2) and  3) and check for voltage (V-4) 0.5 - 2.0 volts higher than in step  3). If testing specifications are not met, it will be necessary to replace the IC regulator/brush assembly.
    Fig 2: Regulator Test Arrangement
    G09342231Courtesy of NOT AVAILABLE