lemon-mirror:
Home >> Subaru >> 1979 >> GL >> Repair and Diagnosis >> Engine Performance >> Wiring Diagrams >> Wiring Diagram

Wiring Diagrams: Wiring Diagram

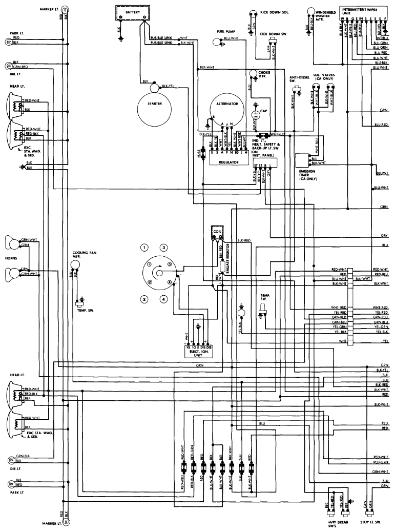
Fig 1: Wiring Diagram - All Models (1 of 2)
G09303832Courtesy of SUBARU OF AMERICA, INC.
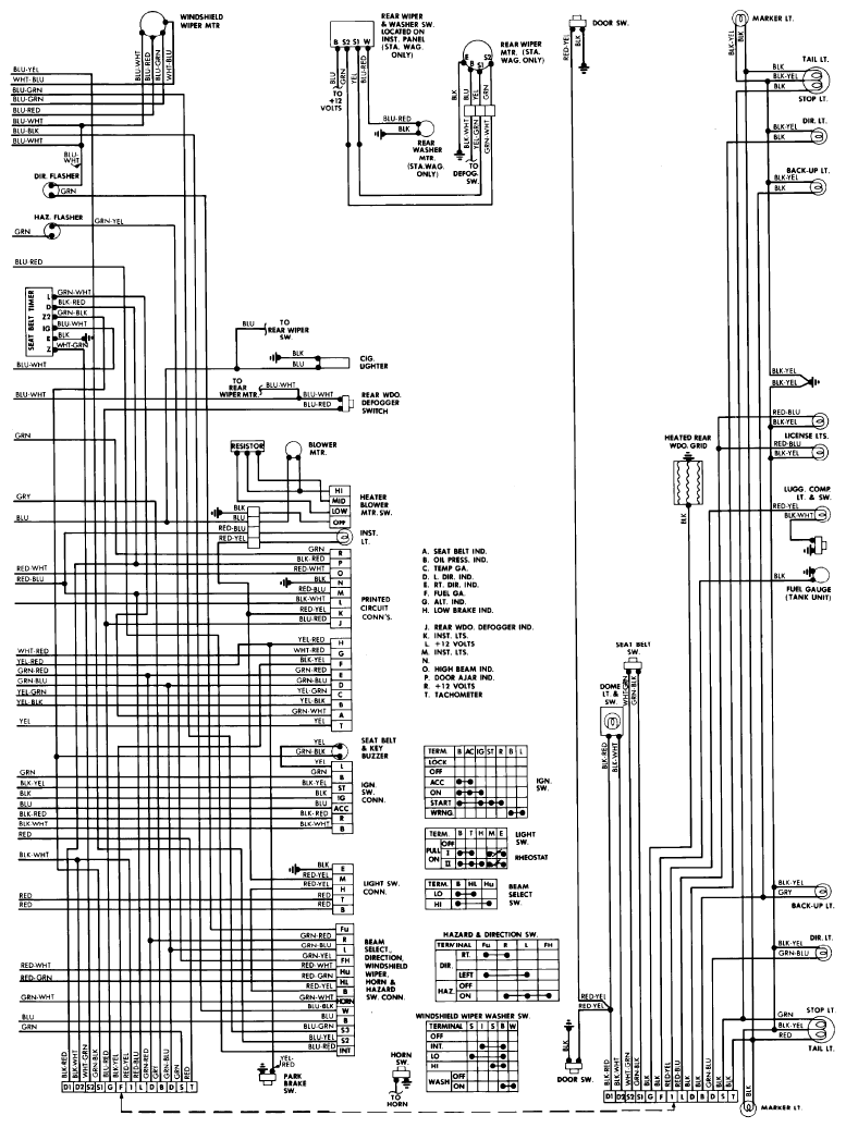
Fig 2: Wiring Diagram - All Models (2 of 2)
G09303833Courtesy of SUBARU OF AMERICA, INC.