lemon-mirror:
Home >> Subaru >> 1985 >> RX >> Repair and Diagnosis >> Engine Performance >> System >> Turbocharger >> Removal & Installation

Removal & Installation

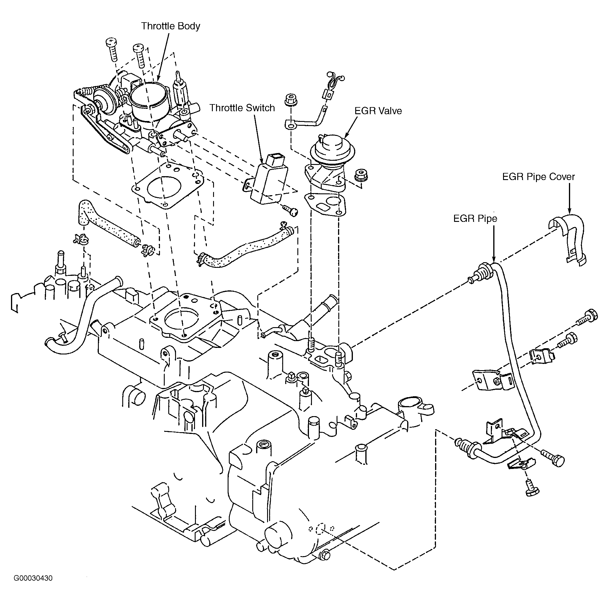
NOTE: Removal and installation procedures are not available from manufacturer. Refer to following illustrations for assistance in removal and installation. See Fig 1 -Fig 4 .
Fig 1: Exploded View Of Throttle Body & EGR Valve
G00030430Courtesy of SUBARU OF AMERICA, INC.
Fig 2: Exploded View Of Intake Manifold
G00030431Courtesy of SUBARU OF AMERICA, INC.
Fig 3: Exploded View Of Turbocharger System
G00030432Courtesy of SUBARU OF AMERICA, INC.
Fig 4: Exploded View Of Air Intake System
G00030432Courtesy of SUBARU OF AMERICA, INC.